Назначение блока управления тиристорами и симисторами ОВЕН БУСТ2
Предназначен для управления симисторами или тиристорами, работающими с активной или активно индуктивной нагрузкой: нагревательными элементами печей, инфракрасными лампами, трансформаторами, двигателями и др.
БУСТ2 рекомендуется использовать для регулирования мощности совместно с ПИД-регуляторами ОВЕН ТРМ101, ОВЕН ТРМ10, ОВЕН ТРМ210, ОВЕН ТРМ251, ОВЕН ТРМ151 или ПЛК ОВЕН.
Прибор выпускается в корпусе креплением на Din - рейку.
Функциональные возможности
- Автоматическое регулирование мощности активной нагрузки с помощью сигналов управления 0(4)...20 мА, 0...5 мА, 0...10 В, 0...1 В поступающих от регулятора
- Управление нагрузкой, включенной «ЗВЕЗДОЙ» и «ТРЕУГОЛЬНИКОМ»
- Управление активной и активно-индуктивной нагрузкой (cos φ>0,4)
- Управление мощными симисторами и тиристорами с токами управления до 1,5 А
- Ручное регулирование мощности с помощью встроенного потенциометра
- Два метода управления симисторами или тиристорами, в зависимости от инерционности нагрузки и уровня помех в сети
- Защита силовых тиристоров или симисторов при возникновении аварийных ситуаций: короткого замыкания или превышения номинального тока в нагрузке (с использованием внешних трансформаторов тока)
- Светодиодная индикация уровня мощности (10 уровней от 0 до 100 %)
- Возможность внешней блокировки управления нагрузкой
- Работа с одно-, двух- и трехфазной нагрузкой
Переключение режимов
- Плавный выход на заданный уровень мощности для предотвращения резких перегрузок питающей сети или защиты нагревателей
- Мгновенный выход на заданный уровень мощности для управления низко-инерционными нагрузками
Технические характеристики
Питание
|
Наименование |
Значение |
|
Напряжение питания, В |
220 |
|
Частота, Гц |
50 |
|
Допустимое отклонение напряжения питания от номинала, % |
-15...+10 |
|
Потребляемая мощность, ВА, |
не более 4 |
Входы
|
Наименование |
Значение |
|
Входы управления/входное сопротивление |
0...1 В/47кОм 0...10 В/47кОм 0...20 мА/50 Ом 4...20 мА/50 Ом |
|
Напряжение низкого уровня на входе «Блокировка», В |
0...0,4 |
|
Напряжение высокого уровня на входе «Блокировка», В |
2,4...5 |
Выходы
|
Наименование |
Значение |
|
Импульсный ток управления, А, не менее |
0,5 либо 1,5, в зависимости от настроек блока |
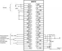
Схемы подключения
Комплектность
- Прибор БУСТ2
- Паспорт и руководство по эксплуатации
- Гарантийный талон
| Основные | |
|---|---|
| Производитель | ОВЕН |
| Страна производитель | Россия |
| Состояние | Новое |
| Пользовательские характеристики | |
| Тип | БУСТ2 блок управления тиристорами и симисторами |
- Цена: 525 руб.


