Устройства плавного пуска ОВЕН УПП1 предназначены для плавного пуска и остановки 3-фазных двигателей переменного тока, снижения величины пускового тока и устранения возможных негативных последствий высокого пускового момента. Цифровое управление устройства плавного пуска позволяет произвести точную настройку и легкую установку. Благодаря регулировке пускового момента и уникальной функции «импульсный старт» устройство плавного пуска может быть использовано для широкого круга задач.
ОВЕН УПП1 рекомендуются для применения с устройствами мощностью до 11 кВт: конвейеры, вентиляторы, насосы, компрессоры.
Основные параметры
|
Параметр |
Значение |
|
Пусковой крутящий момент |
0...85 % Мном |
|
Время разгона |
0,4...10 сек |
|
Время торможения |
0,4...10 сек |
|
Управляющее напряжение |
24...480 В переменного/постоянного тока |
|
Сетевое напряжение |
480 В |
|
Степень защиты |
IP20 |
|
Тиристорное управление по двум фазам |
|
|
Параметрирование при помощи трех поворотных переключателей |
|
Модификации УПП1 и их характеристики
|
Тип |
Максимальная мощность |
Максимальный ток двигателя |
Напряжение сети |
|
УПП1-1К5-В |
1,5 кВт |
ЗА |
400 – 415 В |
|
УПП1-7К5-В |
7,5 кВт |
15 А |
400 – 480 В |
|
УПП1-11К-В |
11 кВт |
25 А |
400 – 480 В |
Преимущества ОВЕН УПП1
- Надежный компактный корпус.
- DIN-реечное крепление.
- Широкий диапазон рабочих температур.
- Импульсный старт для запуска нагруженных двигателей.
Диаграмма работы УПП1
Технические характеристики
|
Параметр |
Значение |
|
Макс. ток утечки |
5 мА |
|
Мин. рабочий ток |
50 мА |
|
Спецификация цепи управления |
|
|
Управляющее напряжение |
24...480 В переменного/постоянного тока |
|
Управляющий ток / макс, мощность |
15 мА/2 ВА |
|
Время отклика |
70 мс |
|
Изоляция |
|
|
Напряжение испытания изоляции |
660 В переменного тока |
|
Номинальное импульсное напряжение |
4 кВ |
|
Категория установки |
III |
| Рассеиваемая мощность макс., Вт, не более | |
|
- в останове |
4 |
| - в работе: | |
| УПП1-1К5-В | 10 |
| УПП1-7К5-В | 45 |
| УПП1-11К-В | 75 |
|
Диапазон температур окружающей среды |
-5...+40°С |
|
Способ охлаждения |
Естественная конвекция |
|
Монтаж |
Вертикальный + / - 30 ° |
|
Температурный диапазон для хранения |
-20...+80°С |
Модификации УПП1 и их характеристики
|
Тип |
Максимальная мощность |
Максимальный ток двигателя |
Напряжение сети |
|
УПП1-1К5-В |
1,5 кВт |
ЗА |
400 – 415 В |
|
УПП1-7К5-В |
7,5 кВт |
15 А |
400 – 480 В |
|
УПП1-11К-В |
11 кВт |
25 А |
400 – 480 В |
Модификации
![]()
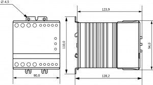
Габаритные и установочные размеры
|
Модификация |
Размеры, мм (В×Ш×Г) |
Габаритный чертеж |
Масса, кг |
|
УПП1-1К5-В |
102×22,5×124 |
|
0,25 |
|
УПП1-7К5-В |
110×45×128 |
|
0,65 |
|
УПП1-11К-В |
110×90×128 |
|
1,00 |
Схема электрических соединений
![]()
Быстрый старт
Чтобы избежать повреждения УПП, важно правильно настроить уровень пускового момента и времени разгона.
Обратите особое внимание!
Устройство плавного пуска считывает установки времени и момента в выключенном состоянии. Повторные запуски могут вызвать перегрузку реле защиты двигателя.
Настройка «Быстрый старт»
|
Установка пускового момента |
|
Правая шкала регулятора «Пусковой момент» обеспечивает регулирование в диапазоне 0...85 % от номинального момента, левая – режим «импульсного момента», когда на время от 0 до 200 мс на двигатель подается полный момент, после чего двигатель стартует с начальным моментом 85 %. |
![]() |
|
Настройка времени разгона |
|
|
![]() |
|
Настройка времени торможения |
|
|
![]() |
Монтаж
Комплектность
- Прибор
- Руководство по эксплуатации
- Паспорт и гарантийный талон
| Основные | |
|---|---|
| Производитель | ОВЕН |
| Страна производитель | Россия |
| Пользовательские характеристики | |
| Состояние | Новое |
| Тип | УПП1 компактные устройства плавного пуска |
- Цена: Цену уточняйте






