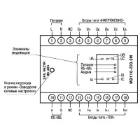
Модули предназначены для измерения напряжения, силы тока, частоты, мощности, фазового угла и коэффициента мощности в трехфазных сетях и передачи результатов измерений в сеть RS-485.
|
Коммуникационные возможности |
|
|
Интерфейс |
RS-485 |
|
Поддерживаемые протоколы |
Modbus RTU Modbus ASCII ОВЕН DCON |
|
Скорость обмена по RS-485 |
2400...115200 бит/с |
Особенности
- Модификации для одно- и трехфазных сетей
- Расширенный температурный диапазон рабочих температур от -20 до +55 °С
- Съемные клеммники с невыпадающими винтами
- Обновление встроенного программного обеспечения по RS-485
- Поддержка облачного сервиса OwenCloud (при использовании сетевого шлюза ПМ210)
Конфигурирование
Конфигурирование модулей Мx110 осуществляется на ПК через адаптер интерфейса RS-485/RS-232 или RS-485/USB (например, ОВЕН АСЗ-М или АС4, соответственно) с помощью программы «Конфигуратор М110», входящей в комплект поставки.
Технические характеристики
|
Модификация |
МЭ110-224.1Т |
МЭ110-224.1Н |
МЭ110-224.1М |
МЭ110-220.3М |
||
|
|
![]() |
![]() |
![]() |
![]() |
||
|
Входы |
||||||
|
Количество каналов измерения |
1 |
1 |
1 |
3 |
||
|
Время опроса входа |
не более 1 с |
|||||
|
Измерение фазного напряжения |
||||||
|
Входной сигнал |
действующее значение |
– |
~(40...400) В, 45...65 Гц
|
~(1...400) В, 45...65 Гц |
||
|
с использованием внешних трансформаторов напряжения |
– |
~(4×10-2...4×106) В, 45...65 Гц |
~(1×10-3...4×106) В, 45...65 Гц |
|||
|
Максимально допустимое значение, не более 1 с |
– |
800 В |
||||
|
Основная приведенная погрешность |
– |
±0,5 % |
±0,25 % |
|||
|
Разрешающая способность |
– |
0,1 В |
||||
|
Входное сопротивление |
– |
не менее 500 кОм |
||||
|
Измерение линейного напряжения (межфазного) |
||||||
|
Входной сигнал |
действующее значение |
– |
~(2...580) В, 45...65 Гц |
|||
|
с использованием внешних трансформаторов напряжения |
– |
~(2×10-3...5,8×106) В, 45...65 Гц |
||||
|
Максимально допустимое значение, не более 1 с |
– |
800 В |
||||
|
Основная приведенная погрешность |
– |
±0,5 % |
||||
|
Разрешающая способность |
– |
0,1 В |
||||
|
Входное сопротивление |
– |
не менее 500 кОм |
||||
|
Измерение силы тока |
||||||
|
Входной сигнал |
действующее значение |
0,02...5 А |
– |
0,02...5 А |
0,005...5 А |
|
|
с использованием внешних трансформаторов напряжения |
2×10-5...5×105 А |
– |
2×10-5...5×105 А |
5×10-6...5×104 А |
||
|
Максимально допустимое значение, не более 1 с |
– |
10 А |
||||
|
Основная приведенная погрешность |
±0,5 % |
– |
±0,5 % |
±0,25 % |
||
|
Разрешающая способность |
– |
0,001 А |
||||
|
Входное сопротивление |
– |
не более 0,01 Ом |
||||
|
Измерение полной, активной и реактивной мощности |
||||||
|
Входной сигнал |
действующее значение |
– |
0,02...2 кВА (кВт, кВАр) |
|||
|
с использованием внешних трансформаторов напряжения/тока |
– |
8×10-5...2×104 кВА (кВт, кВАр) |
2×10-7...2×1011 кВА (кВт, кВАр) |
|||
|
Основная приведенная погрешность |
– |
±1,0 % |
±0,5 % |
|||
|
Разрешающая способность |
– |
1 кВА (кВт, кВАр) |
||||
|
Измерение частоты первой гармони |
||||||
|
Действующая частота первой гармоники |
– |
45...65 Гц |
||||
|
Основная приведенная погрешность |
– |
±0,5 % |
±0,15 % |
|||
|
Разрешающая способность |
– |
0,01 Гц |
||||
|
Измерение коэффициента мощности (cos φ) |
||||||
|
Диапазон измерения (рабочем диапазоне мощности) |
– |
0...1 |
||||
|
Основная погрешность |
– |
±2,0 % при мощности ±3,0 % при мощности ≥30 ВА |
±1,0 % |
|||
|
Разрешающая способность |
– |
0,01 |
||||
|
Измерение фазового угла |
||||||
|
Диапазон измерения (рабочем диапазоне мощности) |
– |
10...170 ° |
||||
|
Основная погрешность |
– |
±0,4 % |
||||
|
Разрешающая способность |
– |
1 ° |
||||
|
Питание |
||||||
|
Тип питания |
универсальное ~230 В/=24 В |
~230 В |
||||
|
Напряжение питания |
переменное: ~90...264 В (номинальное ~230 В) частотой 47...63 Гц или постоянное: =18...30 В (номинальное =24 В) |
переменное: ~90...264 В (номинальное ~230 В) частотой 47...63 Гц |
||||
|
Потребляемая мощность |
не более 5 ВА |
не более 4 ВА |
не более 5 ВА |
не более 7,5 ВА |
||
|
Конструктивное исполнение |
||||||
|
Габаритные размеры |
(110×76×27) ±1 мм |
(96×73×110) ±1 мм |
||||
|
Степень защиты |
IP20 |
|||||
|
Монтаж |
на DIN-рейку / на стену |
|||||
|
Условия эксплуатации |
||||||
|
Температура окружающего воздуха |
-20...+55 °С |
|||||
|
Относительная влажность воздуха (при +25 °С и ниже без конденсации влаги) |
не более 80 % |
|||||
|
Комплектность |
||||||
|
Модуль |
1 шт. |
|||||
|
Паспорт / Гарантийный талон |
1 экз. |
|||||
|
Руководство по эксплуатации |
1 экз. |
|||||
|
Компакт-диск с программным обеспечением |
1 шт. |
|||||
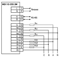
Схемы подключения
|
МЭ110-224.1Т |
МЭ110-224.1Н |
МЭ110-224.1М |
МЭ110-220.3М |
|
Общий чертеж |
|||
|
– |
– |
– |
|
|
Схема подключения прибора к однофазной сети |
|||
|
– |
|||
|
Схема подключения прибора к однофазной сети через согласующий трансформатор |
|||
|
|
– |
||
|
Подключение прибора к трехфазной сети |
|||
|
– |
– |
– |
|
|
Подключение прибора к трехфазной сети через согласующие трансформаторы |
|||
|
– |
– |
– |
|
| Основные | |
|---|---|
| Производитель | ОВЕН |
| Страна производитель | Россия |
| Пользовательские характеристики | |
| Состояние | Новое |
| Тип | Модули измерения параметров электрической сети (с интерфейсом RS-485) МЭ110 |
- Цена: от 340,21 руб.









