Отличительные особенности
- Встроенная ОС Linux
- 1 x Ethernet
- 2 x RS-232/RS-485 и 2 x RS-232 для подключения различного оборудования
- 2 x USB для подключения внешних накопителей информации
- Наличие встроенного кардридера для подключения microSD/microSDHC карт объемом до 32-х Гб
- Наличие встроенных часов реального времени
Преимущества контроллеров ОВЕН ПЛК304
- Контроллеры имеют открытую архитектуру на основе ОС, что облегчает их встраивание в вертикально интегрированные среды разработки
- Наличие портов USB-Host позволяет подключать к контроллерам различные устройства для подключения внешних накопителей данных (USB-Flash)
- Наличие встроенного кардридера позволяет расширять энергонезависимую (DataFlash) память контроллера до 2 ГБ
- Увеличенное количество последовательных интерфейсов позволяет подключать к контроллерам большое количество оборудования от разных производителей с поддержкой различных интерфейсов/протоколов связи
- Встроенные часы реального времени
- Возможность работы по любому нестандартному протоколу по любому из интерфейсов, что позволяет подключать устройства с нестандартными протоколами (электро-, газо-, водосчетчики, считыватели штрих - кодов и т.д.)
- Программирование контроллеров в среде CODESYS v3.5, соответствующей стандарту МЭК 61131
- Набор готовых программных модулей, предоставляемых бесплатно
Функциональная схема ОВЕН ПЛК304
Технические характеристики
| Общие характеристики | |
| Конструктивное исполнение (ШШхВВхГГ) | Унифицированный корпус для крепления на DIN-рейку (77×130×30 мм) |
| Степень защиты корпуса | IP20 со стороны передней панели, IP00 со стороны клемм |
| Напряжение питания | =10...30 В (номинальное значение =24 В) |
| Потребляемая мощность | Не более 4 Вт |
| Индикация передней панели | Светодиодная индикация питания и состояния портов передачи данных |
| Ресурсы | |
| Центральный процессор | 32-x разрядный RISC-процессор 180 МГц на базе ядра ARM9 (Atmel AT91RM9200) |
| Объем оперативной памяти | 64 Мб (SDRAM) |
| Объем энергонезависимой | 16 Мб (DataFlash) |
| Интерфейсы связи | |
| Общее количество последовательных портов | 4 |
| RS-232/485 (в зависимости от положения DIP-переключателей) | 2 |
| RS-232 | 2 |
| RS-485 | - |
| Ethernet | 1 |
| Слот для карты памяти (MicroSD/MicroSDHC) | 1 |
| USB 2.0 | 2 (Host) |
Модификации
![]()
Элементы управления
![]()
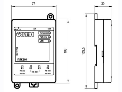
Внешний вид ПЛК304
На лицевой поверхности прибора находятся
- Светодиод «Питание» - загорается при подаче питания.
- Светодиод «Работа» - загорается после прохождения загрузки системы; при остановке программы - выключается.
- Светодиод «LAN» - загорается при соединении Ethernet-порта с сетью. При передаче данных - мерцает.
- Светодиоды «Р1, Р2, Р3, Р4» - 4 двуцветных светодиода индицируют передачу данных через последовательные порты. При получении данных (RXD находится в состоянии высокого уровня) - включен зеленый цвет; при передаче данных (ТXD находится в состоянии высокого уровня) - включен желтый цвет.
Габаритные размеры
![]()
Схемы подключения
а) Нижняя поверхность прибора с последовательными портами
б) разъем типа RJ45
Распайка последовательных портов
| Номер контакта | Номер порта | |||||
| P1 | P2 | P3 | P4 | |||
| RS-232 | RS-485 | RS-232 | RS-485 | |||
| 1 | DSR | - | DSR | - | - | |
| 2 | RTS | - | RTS | RTS | RTS | - |
| 3 | GND | - | GND | GND | GND | - |
| 4 | TXD | - | TXD | TXD | TXD | - |
| 5 | RXD | - | RXD | RXD | RXD | - |
| 6 | - | B (Data-) | DCD | - | - | B (Data-) |
| 7 | CTS | - | CTS | CTS | CTS | - |
| 8 | - | A (Data+) | - | - | - | A (Data+) |
Монтаж контактов последовательных портов на разъеме RJ45
Кабели
| Наименование | Изображение | Комментарии | Длина, м |
| КС6 |
| Применяется только для прошивки и консольного доступа (Linux) контроллера ПЛК304 (по порту Р3). Присоединение прочих устройств этим кабелем невозможно. | 1,5 |
| КС12 |
| Применяется для подключения внешних устройств c разъемом DB9F по RS-232/RS-485 к ПЛК304 | 1,5 0,27 |
Комплектность
- Прибор ПЛК304
- Диск с ПО
- Кабель для прошивки КС6
- Паспорт и руководство по эксплуатации
- Гарантийный талон
* Обратите внимание на то, что программирование осуществляется по Ethernet. Кабель в комплекте не идет.
| Основные | |
|---|---|
| Производитель | ОВЕН |
| Страна производитель | Россия |
| Состояние | Новое |
| Пользовательские характеристики | |
| Тип | ПЛК304 контроллер для распределенных систем |
- Цена: Цену уточняйте


