ОВЕН ПЛК110[М02] – линейка программируемых моноблочных контроллеров с дискретными входами/выходами на борту для автоматизации средних систем.
Оптимальны для построения систем автоматизации среднего уровня и распределенных систем управления.
Рекомендации к применению
Для построения распределенных систем управления и диспетчеризации с использованием как проводных, так и беспроводных технологий:
- В системах HVAC
- В сфере ЖКХ (ИТП, ЦТП)
- АСУ водоканалов
- линии по дерево- и металлообработке (распил, намотка и т.д.)
- Для управления пищеперерабатывающими и упаковочными аппаратами
- Для управления климатическим оборудованием
- Для автоматизации торгового оборудования
- В сфере производства строительных материалов
- Для управления малыми станками и механизмами
Преимущества ОВЕН ПЛК110[М02]
- Наличие встроенных дискретных входов/выходов на борту.
- Скоростные входы для обработки энкодеров.
- Ведение архива работы оборудования или работа по заранее оговоренным сценариям при подключении к контроллеру USB-накопителей.
- Простое и удобное программирование в системе CODESYS v.2 через порты USB Device, Ethernet, RS-232 Debug.
- Передача данных на верхний уровень через Ethernet или GSM-сети (GPRS).
- 4 последовательных порта (RS-232, RS-485) для:
- увеличения количества входов-выходов;
- управления частотными преобразователями;
- подключения панелей операторов, GSM-модемов, считывателей штрих-кодов и т.д.
- Наличие двух исполнений по питанию (220 В и 24 В).
Линейка ПЛК110[М02]
|
Параметр |
ПЛК110-30[М02] |
ПЛК110-32[М02] |
ПЛК110-60[М02] |
|
Количество входов |
18 |
18 |
36 |
|
Быстрых входов |
2 |
2 |
4 |
|
Быстрых счетчиков |
2 |
2 |
4 |
|
Энкодеров |
1 AB |
1 AB |
1 ABZ или 2 AB |
|
Количество выходов |
12 |
14 |
24 |
|
Быстрых выходов (для ПЛК110 с транзисторными выходами) |
4 |
4 |
4 |
|
Количество портов |
|||
|
RS-485 |
2 |
1 |
2 |
|
RS-232 |
1 |
1 |
1 |
|
RS-232-Debug |
1 |
1 |
1 |
|
Ethernet 100 Base-T |
1 |
1 |
1 |
Отличия обновленной линейки ПЛК110-24.30.Р-М[М02]
- Увеличена скорость опроса быстрых дискретных входов (до 100 кГц).
- Интерфейсы RS-232 прибора позволяют осуществлять питание подключённых устройств.
- Ведение архива/хранение рецептов на USB-носителе.
- Расширенный температурный диапазон: от -40 до +55 °С.
Сравнительная таблица ПЛК110 и ПЛК110[М02]
|
Параметр |
ПЛК110 |
ПЛК110[М02] |
|
Вычислительные ресурсы Процессор ОЗУ FLASH-диск ПЛК Операционная система |
200 МГц 128 кБайт+2 МБ (размер heap варьируется) 4 МБ нет |
400 МГц 128 кБайт+3 МБ (размер heap варьируется) 6 МБ Есть, EmbOS Segger - ОС реального времени |
|
Интерфейсы |
RS-232 RS-232 Debug RS-485 (1 или 2) Ethernet USB Device |
RS-232 RS-232 Debug RS-485 (1 или 2) Ethernet USB Device USB Host |
|
Работа по беспроводным сетям |
SMS, CSD, GPRS |
SMS, CSD, GPRS |
|
Питание 5 В в RS-232 |
Нет |
Есть |
|
Температурный диапазон эксплуатации |
-10...+50 °C |
-40...+55 °C |
|
Источник питания для часов RTC |
Встроенный аккумулятор |
Заменяемая стандартная батарейка CR2032 |
|
Источник питания для Retain |
Встроенный аккумулятор |
Не требуется, используется MRAM |
|
Ведение архивов на USB Flash |
нет |
До 8 ГБ |
|
Быстрые входы |
Есть, до 10 кГц |
Есть, 100 кГц |
|
Быстрые выходы |
до 5 кГц |
До 100 кГц |
Функциональная схема
Функциональная схема ОВЕН ПЛК110[M02]
_x000D_Технические характеристики
|
Параметр |
Значение (свойства) |
||
|
ПЛК110-Х.30[М02] |
ПЛК110-Х.32[М02] |
ПЛК110-Х.60[М02] |
|
|
Питание |
|||
| Напряжение питания: | |||
|
ПЛК110-24.Х.Х-Х
|
от 9 до 30 В постоянного тока при Т > минус 20 °С, от 9 до 26 В постоянного тока при минус 40 °С > Т > минус 20 °С (номинальное 12 или 24 В) * |
||
| ПЛК110-220.Х.Х-Х | от 90 до 264 В переменного тока либо постоянного тока (номинальное 120/230 В) | ||
| Потребляемая мощность, не более: | |||
|
ПЛК110-24.Х.Х-Х |
28 Вт |
31 Вт |
|
| ПЛК110-220.Х.Х-Х | 41 ВА | 45 ВА | |
| Параметры встроенного источника питания: | |||
|
ПЛК110-24.Х.Х-Х |
Выходное напряжение равно входному напряжению на клеммах питания ПЛК, ток не более 630 мА |
||
| ПЛК110-220.Х.Х-Х | Выходное напряжение 24 В±4 %, ток не более 400 мА | ||
|
Цифровые (дискретные) входы |
|||
|
Количество входов (из них быстродействующих) |
18 (2) |
18 (2) |
36 (4) |
|
Тип входов по ГОСТ Р 51841–2001 |
1 |
||
|
Напряжение «логического нуля» |
минус 3 ... 5 В |
||
|
Максимальный ток «логического нуля» |
2 мА |
||
|
Напряжение «логической единицы» |
15...30 В |
||
|
Максимальный ток «логической единицы» |
9 мА (при 30 В) |
||
| Минимальная длительность импульса, воспринимаемого дискретным входом: | |||
|
- для обычных входов |
1,6 мс (меандр) |
||
| - для быстродействующих | см. таблицу 3.1 | ||
|
Подключаемые входные устройства |
|
||
|
Дискретные выходы (контакты электромагнитных реле ПЛК110-Х.Х.Р) |
|||
|
Количество релейных выходных каналов |
12 |
14 |
24 |
|
Максимальный ток, коммутируемый контактами реле, не более |
3 А |
||
|
Время переключения контактов реле из состояния «лог. 0» в «лог. 1» и обратно, не более |
10 мс (выходы DО1...DО12) |
10 мс (выходы DО1...DО14) |
10 мс (выходы DО1...DО24) |
| Суммарный максимальный ток нагрузки группы реле: | |||
|
COM1-COM2 |
3 А |
3 А |
3 А |
|
COM3 |
3 А |
12 А |
3 А |
|
COM4 |
3 А |
12 А |
3 А |
|
COM5 |
12 А |
12 А |
2,5 А |
|
COM6 |
12 А |
- |
6 А |
|
COM7-COM10 |
- |
- |
12 А |
|
Механический ресурс реле |
|
||
|
Дискретные выходы (транзисторные ключи ПЛК110-Х.Х.К) |
|||
|
Количество транзисторных выходных каналов, из них быстродействующих |
12 4 (DО1...DО4) |
14 4 (DО1...DО4) |
24 4 (DО1...DО4) |
| Максимальный ток транзисторного выхода, не более | |||
|
– для обычных |
400 мА (при напряжении не более 30 В постоянного тока – нагрузка для категории использования DC-13 по ГОСТ Р 50030.1–2000) |
||
| – для быстродействующих | 400 мА (при напряжении постоянного тока в диапазоне от 12 до 30 В, при этом используется внешний источник) | ||
|
Характеристики встроенного выходного защитного элемента подавления помех, возникающих из-за коммутации индуктивностей (TVS диод) |
SMBJ40A (напряжение срабатывания: от 44,4 до 49,1 В) |
||
| Время переключения транзисторного выхода из состояния «лог. 1» в состояние «лог. 0», не более | |||
|
– для обычных |
5 мс (выходы DО5...DО12) |
5 мс (выходы DО5...DО14) |
5 мс (выходы DО5...DО24) |
| – для быстродействующих | 0,002 мс (выходы DО1...DО4) | 0,002 мс (выходы DО1...DО4) | 0,002 мс (выходы DО1...DО4) |
|
Интерфейсы связи, количество |
|||
|
RS-485 |
2 |
1 |
2 |
|
RS-232 |
1 |
1 |
1 |
|
RS-232-Debug |
1 |
1 |
1 |
|
Ethernet 100 Base-T |
1 |
1 |
1 |
Модификации
![]()
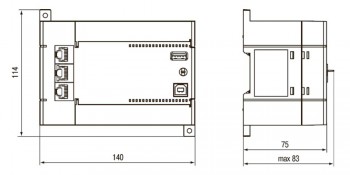
Габаритные размеры
Схемы подключения
Расположение контактов для подключения внешних цепей ПЛК110-60
Расположение контактов для подключения внешних цепей ПЛК110-32
Расположение контактов для подключения внешних цепей ПЛК110-30
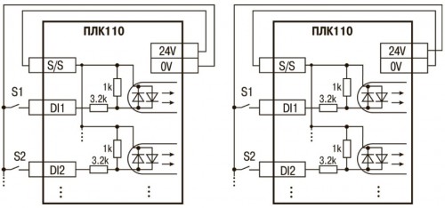
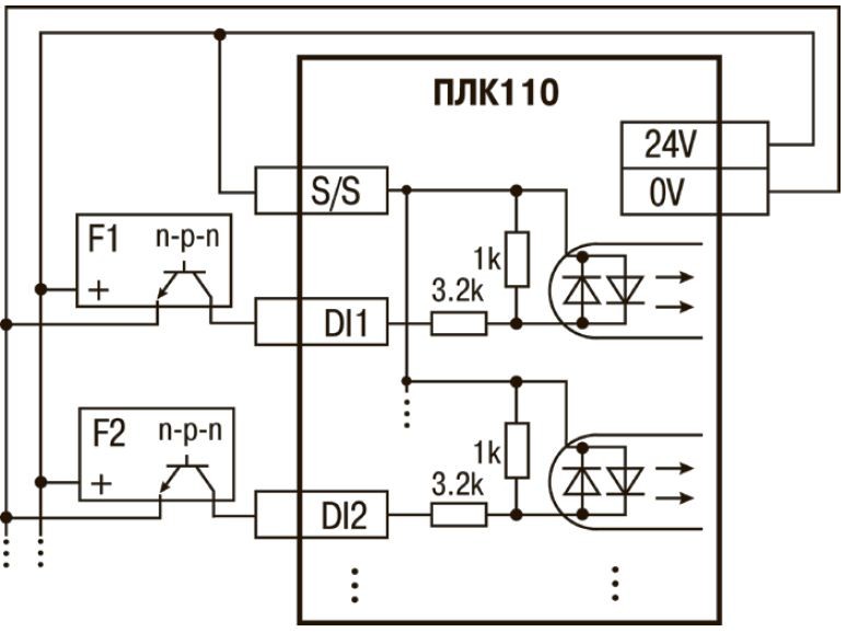
Подключение входных устройств и схемы входных элементов контроллера ПЛК110
![]()
Схема подключения контактных датчиков (Sl-Sn) к входам ПЛК110
Обе схемы равнозначны, может использоваться любая. При применении контактных датчиков совместно с датчиками, имеющими на выходе транзисторный ключ, схема подключения должна определяться типом транзисторных датчиков.
Суммарный ток потребления всех внешних датчиков и всех подключенных дискретных входов (7 мА на вход) не должен превышать 620 мА. Если потребление датчиков и входов больше указанного, то для питания датчиков следует использовать внешний блок питания требуемой мощности.
![]()
Выходные элементы типа Р контроллера с внешними цепями защиты при активной нагрузке, Rн – пользовательская нагрузка (двигатель, нагреватель, контактор и т.д.)
![]()
Подключение цепей защиты при реактивной нагрузке
Кабели
|
Наименование |
Изображение |
Комментарии |
Длина, м |
|
КС14 |
|
Применяется для прошивки и программирования контроллера ПЛК110[М02] (порт RS-232 DEBUG). |
1,8 |
|
КС16 |
|
Применяется для связи контроллера ПЛК110[М02] (порты RS-232 DEBUG и RS-232) c панелями оператора ИП320 (порт RS-232), СП270, СП307, СП310 (порт PLC, RS-232). |
1,5 2,5 |
|
КС17 |
|
Применяется для связи контроллера ПЛК110[М02] (порты RS-232 DEBUG и RS-232) и модема ПМ01[М01]. |
|
| Основные | |
|---|---|
| Производитель | ОВЕН |
| Страна производитель | Россия |
| Состояние | Новое |
| Пользовательские характеристики | |
| Тип | ПЛК110 [М02] контроллер для средних систем автоматизации с DI/DO (обновленный) |
- Цена: от 1 512,01 руб.

![ПЛК110 [М02] программируемый контроллер для средних систем](https://images.deal.by/126185748_w640_h640_plk110-m02-programmiruemyj.jpg)
![ПЛК110 [М02] программируемый контроллер для средних систем, фото 2](https://images.deal.by/126185749_w40_h40_plk110-m02-programmiruemyj.jpg)
![ПЛК110 [М02] программируемый контроллер для средних систем](https://images.deal.by/126185748_plk110-m02-programmiruemyj.jpg)