ПЛК63 контроллер с HMI для локальных систем в корпусе на DIN-рейку с AI/DI/DO/AO (снимается с производства)
от 1 029 руб.
- В наличии
К концу 2024 года планируется прекращение поставок ПЛК63. Рекомендуем в новые проекты закладывать современные линейки контроллеров ПЛК200, СПК1хх или программируемые реле ПР200.
ОВЕН ПЛК63 – контроллер с HMI для локальных систем автоматизации. Основные области применения ОВЕН ПЛК63 – ЖКХ, ЦТП, ИТП, котельные, небольшие установки.
Основные функциональные возможности
- Двухстрочный знакосинтезирующий дисплей.
- Наличие дискретных входов/выходов на борту.
- Заказные модификации с выбором дискретных/аналоговых выходов.
- Встроенные интерфейсы RS-485, RS-232.
- Встроенные часы реального времени.
- Поддержка протоколов ОВЕН, Modbus RTU, Modbus ASCII, GateWay.
- Бесплатная библиотека функциональных блоков:
- разработки ОВЕН: ПИД-регулятор с автонастройкой, блок управления 3-позиционными задвижками и др.;
- стандартные библиотеки CODESYS.
- Возможность расширения путем подключения модулей ввода/вывода.
- Увеличение количества дискретных выходов путем подключения модуля ОВЕН МР1.
Функциональная схема
Технические характеристики
-
Общие сведения
Центральный процессор
32-разрядный RISC процессор 50 МГц на базе ядра ARM7
Объем оперативной памяти для хранения переменных программ
10 кб
Объем памяти хранения программ
280 кб
Объем памяти ввода-вывода
- 600 байт - для ПЛК63-M
- 360 байт - для ПЛК63-L
Объем энергонезависимой памяти
448 кбайт (Flash-память)
Время работы часов реального времени после пропадания питания
не менее 3 месяцев
Конструктивное исполнение
крепление на DIN-рейку
Степень защиты корпуса (со стороны
лицевой панели) по ГОСТ14254–96
IP20
Напряжение питания
- постоянного тока от 150 до 300 В (номинальное 220 В)
- переменного тока (47…63 Гц) от 90 до 264 В (номинальное 110/220 В)
Потребляемая мощность, не более - для постоянного тока, 12 Вт
- для переменного тока, 18 Вт
Параметры встроенного вторичного источника питания выходное напряжение 24±3 В, ток не более 180 мА
Элементы человеко-машинного интерфейса
Тип дисплея
Текстовый монохромный ЖКИ с подсветкой
Количество знакомест (символов)
2 x 16
Кнопки управления на лицевой панели
Резиновая клавиатура 6 кнопок:
"Пуск/стоп", "Выход", "Альт",
"Ввод", "Вверх", "Вниз"
Светодиоды на лицевой панели
Отсутствуют
Интерфейсы связи
Интерфейсы
RS-485, DEBUG RS-232 (RJ-11)
Протоколы
ОВЕН, Modbus RTU/ASCII, GateWay (протокол CODESYS)
Аналоговые входы
Количество универсальных аналоговых входов
8
Типы подключаемых датчиков и сигналов
термосопротивления, термопары, сигналы тока, напряжения, сопротивления
Дискретные входы
Количество дискретных входов
8
Наличие гальванической изоляции дискретных входов
есть, групповая
Максимальная частота сигнала, подаваемого на дискретный вход
50 Гц (при скважности 2)
Выходы
Количество выходных элементов
6
Тип выходного элемента 1
э/м реле 4 А 220 В
Возможные типы выходных элементов 2...6
- Р - э/м реле 4 А 220 В
- И - ЦАП 4...20 мА
- У - ЦАП 0...10 В (активный)
Расширение количества дискретных выходов
до 8 (модуль МР1 по внутренней шине)
Поддерживаемые интерфейсы и протоколы
Протокол
Интерфейс
Применение
ОВЕН
RS-232
RS-485
Поддержка модулей ОВЕН Мх110
Работа в сетях ОВЕН совместно с ТРМ2хх
Modbus RTU
Modbus ASCII
RS-232
RS-485
Поддержка модулей ввода/вывода и операторских панелей (например, ОВЕН СП3хх), связь со SCADA-системами
GateWay (протокол CODESYS)
RS-232
Программирование контроллера, отладка пользовательской программы.
Работа с OPC-сервером CODESYS
-
МР1
Вход для подключения модуля МР1
Модификации
Габаритные размеры
-
Габаритный чертеж корпуса для крепления на DIN-рейку 35 мм
Вид лицевой панели контроллера и расположение контактов
Расстояние до стенок корпуса ПЛК при монтаже для обеспечения вентиляции
Схемы подключения
-
Подключение термометра сопротивления или резистивного датчика по трехпроводной схеме
Подключение резистивного датчика по двухпроводной схеме
Подключение активного датчика с выходом в виде напряжения 0...1 В
Подключение активного датчика с токовым выходом 0...5 мА или 0(4)...20 мА (Rш = 100,0 Ом ± 0,1%)
Схема подключения термопары (термоэлектрического преобразователя)
Схема подключения нагрузки к ВЭ типа «У». Rн > 2 кОм
Схема подключения нагрузки к ВЭ типа «И»
Схема подключения нагрузки к ВЭ типа «Р»
Схема подключения нагрузки к ВЭ типа «К» (диод VD1 должен быть рассчитан на напряжение 100 В и ток 1 A)
Схема подключения нагрузки к ВЭ типа «Т»
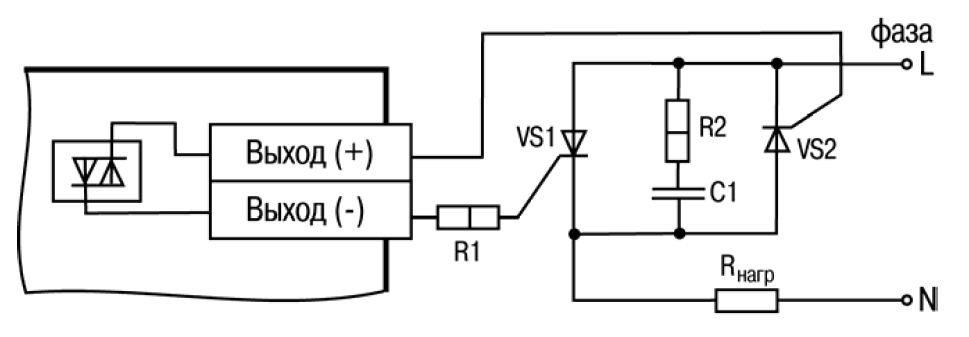
Схема подключения нагрузки к ВЭ типа «С» двух тиристоров, подключенных встречно-параллельно (R2=47… 68 Ом, С1=0.1мкф×630 В)
Схема подключения нагрузки к ВЭ типа «Т»
Схема подключения нагрузки к ВЭ типа «Р» (для первого ВЭ)
Подключение датчиков к дискретным входам
Схема подключения модуля МР1 к ПЛК63
Кабели
Схема работы ОВЕН ПЛК63 с другими приборами
| Основные | |
|---|---|
| Производитель | ОВЕН |
| Страна производитель | Россия |
| Состояние | Новое |
| Пользовательские характеристики | |
| Тип | ПЛК63 контроллер с HMI для локальных систем в корпусе на DIN-рейку с AI/DI/DO/AO |
- Цена: от 1 029 руб.


