Прибор МНС1 предназначен для защитного отключения электрооборудования, в частности электродвигателей компрессоров холодильных агрегатов, при возникновении аварийных ситуаций.
Прибор выпускается в корпусе с креплением на DIN-рейку типа Д.
Функциональные возможности
- Защитное отключение электрооборудования в следующих ситуациях:
- неправильное чередование фаз в трехфазной сети;
- отсутствие одной или двух фаз в трехфазной сети;
- слипание фаз;
- выход напряжения питающей сети за заданные пределы;
- перегрев обмотки электродвигателя.
- Автоматический запуск электрооборудования после устранения аварии
- Установка времени задержки включения
Технические характеристики
| Напряжение питания | 160...280 В 50 Гц |
| Потребляемая мощность | не более 15 ВА |
| Допустимый диапазон значений сопротивления позисторного датчика температуры | 0,8...15 кОм |
| Заданное время задержки включения реле после аварии | 3; 6 или 9 мин |
| Заданная зона допустимого отклонения контролируемого напряжения сети | –12...+12 % Uном. или –12...+20 % Uном. |
| Заданное время задержки срабатывания защитного отключения | 2,5; 5 или 7,5 с |
| Тип корпуса | Д (DIN-реечный) |
| Габаритные размеры | 72×88×54 мм |
| Степень защиты корпуса | IP20 со стороны передней панели |
Условия эксплуатации
| Температура окружающего воздуха | +1...+50 °С |
| Атмосферное давление | 86...106,7 кПа |
| Относительная влажность воздуха (при 35 °С) | 30...80 % |
Функциональная схема прибора
![]()
Контроль напряжения в сети
МНС1 может контролировать напряжение как в однофазной (220 В 50 Гц), так и в трехфазной (220/380 В 50 Гц) сети с нулевым проводом.
Для контроля напряжения пользователем устанавливается номинальное напряжение сети, зона допустимого отклонения, время задержки срабатывания аварийного отключения электродвигателя и время задержки его включения.
При выходе значения напряжения за допустимые пределы МНС1 по истечении заданного времени осуществляет защитное отключение электродвигателя и сигнализирует о возникновении аварийной ситуации.
При возврате значения напряжения в допустимые пределы по истечении заданного времени включения МНС1 осуществляет пуск электродвигателя.
При включении напряжения в трехфазной сети в паузу перед запуском, при неправильном чередовании, «слипании» фаз или обрыве фазы МНС1 осуществляет немедленное защитное отключение электрооборудования.
Контроль температуры обмотки двигателя
Контроль температуры осуществляется по сигналам внешнего датчика позисторного типа, установленного на объекте (например, в обмотке статора защищаемого электродвигателя). Параметры срабатывания и отпускания защиты по температуре вводятся пользователем в прибор при программировании.
При превышении заданной температуры срабатывания термозащиты МНС1 осуществляет немедленное отключение электродвигателя и сигнализирует о возникновении аварийной ситуации.
Повторный пуск электродвигателя может осуществляться по выбору пользователя в автоматическом или ручном режиме. В автоматическом режиме МНС1 формирует команду пуска электродвигателя при снижении температуры до значения, находящегося ниже точки отпускания термозащиты. Пуск происходит по истечении заданного времени включения. В ручном режиме повторный запуск двигателя осуществляется оператором.
При необходимости канал защиты по температуре в МНС1 может быть отключен.
Программирование
Перед началом работы необходимо задать параметры работы прибора. Заданные параметры сохраняются в энергонезависимой памяти прибора и остаются неизменными при выключении питания.
Программирование прибора осуществляется с помощью кнопки
на передней панели.
Переход от процедуры к процедуре программирования осуществляется перемычками внутри прибора.
Элементы управления

|
| Кнопкой можно оперативно переключить во время работы зону допуска напряжения или режим ручного/автоматического включения после перегрева. |
| Светодиод «°С!» | Светится при превышении температуры объекта установленного значения, а мигает при нахождении температуры в зоне гистерезиса или ниже ее. |
| Светодиод «РУЧ» | Сигнализирует о ручном режиме включения реле после перегрева. |
| Светодиод «ВКЛ» | Сигнализирует постоянной засветкой о включении реле. |
| Светодиод «U!» | Короткими вспышками отмечает 5-ти секундные циклы измерения, а постоянным свечением – выход напряжения за зону допуска. Мигание с различной частотой говорит о нахождении напряжения в зоне гистерезиса или повторного включения после перегрузки. |
| Светодиоды ΔU «12%» и «20%» | Показывают выбранную зону допуска напряжения. Попеременное свечение диодов говорит о неисправности сети. Синхронное мигание – об отсчете Твкл.U. |
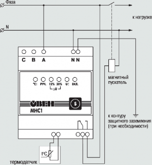
Схемы подключения
Комплектность
- Прибор МНС1
- Перемычки для программирования - 3 шт.
- Паспорт и руководство по эксплуатации
- Гарантийный талон
| Основные | |
|---|---|
| Производитель | ОВЕН |
| Страна производитель | Россия |
| Пользовательские характеристики | |
| Состояние | Новое |
| Тип | МНС1 прибор для защиты оборудования с контролем напряжения |
- Цена: Цену уточняйте


