Назначение
Преобразователь ОВЕН НПТ-2, совместно с измерительными датчиками, предназначен для преобразования значения температуры в унифицированный сигнал постоянного тока 4...20 мА. Преобразователь предназначен для работы с термопарами по ГОСТ Р 8.585-2001 и термометрами сопротивления по ГОСТ 6651-2009. НПТ-2, применяются во вторичной аппаратуре систем автоматического контроля, регулирования и управления технологическими процессами в различных отраслях промышленности, в том числе подконтрольных Ростехнадзору, а также в коммунальном хозяйстве, диспетчеризации, телемеханических информационно-измерительных комплексах и т. д.
Возможности
- Подключать отечественные датчиками температуры к контроллерам зарубежных производителей
- Увеличивать длину линии связи «измерительный прибор \ датчик температуры»
- Подключить к одному датчику несколько измерителей
- Снизить влияние помех на линию связи «прибор \ датчик»
Достоинства
- Высокая точность, погрешность измерения для ТП 0,5%, для ТС 0,25%
- ОВЕН НПТ-2 внесен в реестр средств измерений РФ
- Высокая разрешающая способность. Дискретность выходного сигнала 4...20мА составляет не более 8мкА
- Высокая надежность. ОВЕН НПТ-2 соответствует требованиям ГОСТ по электромагнитной совместимости с критерием качества функционирования А
- Высокая временная стабильность. ОВЕН НПТ-2 в течении всего срока службы не требует построек
- Широкий диапазон рабочих температур окружающий среды: -40...+85°С
- Широкий набор диапазонов преобразования температур (см. таблицу Диапазоны преобразования)
| Диапазон преобразования «температуры в 4...20мА», оС | Код диапазона | Тип сенсора | Полное название нормирующего преобразователя |
| -50...+180оC | 01 | 50М (α=0,00428оС-1) | НПТ-2.01.1.2 |
| -50...+50оC | 11 | НПТ-2.11.1.2 | |
| 0...+50оC | 21 | НПТ-2.21.1.2 | |
| 0...+100оC | 31 | НПТ-2.31.1.2 | |
| 0...+150оC | 41 | НПТ-2.41.1.2 | |
| -50...+180оC | 06 | 100М (α=0,00428оС-1) | НПТ-2.06.1.2 |
| -50...+50оC | 16 | НПТ-2.16.1.2 | |
| 0...+50оC | 26 | НПТ-2.26.1.2 | |
| 0...+100оC | 36 | НПТ-2.36.1.2 | |
| 0...+150оC | 46 | НПТ-2.46.1.2 | |
| -50...+150оC | 56 | НПТ-2.56.1.2 | |
| -50...+500оC | 02 | 100П (α=0,00391оС-1) | НПТ-2.02.1.2 |
| -100...+100оC | 12 | НПТ-2.12.1.2 | |
| 0...+100оC | 22 | НПТ-2.22.1.2 | |
| 0...+150оC | 32 | НПТ-2.32.1.2 | |
| 0...+300оC | 42 | НПТ-2.42.1.2 | |
| 0...+500оC | 52 | НПТ-2.52.1.2 | |
| -50...+500оC | 03 | Pt100 (α=0,00385оС-1) | НПТ-2.03.1.2 |
| -100...+100оC | 13 | НПТ-2.13.1.2 | |
| 0...+100оC | 23 | НПТ-2.23.1.2 | |
| 0...+150оC | 33 | НПТ-2.33.1.2 | |
| 0...+300оC | 43 | НПТ-2.43.1.2 | |
| 0...+500оC | 53 | НПТ-2.53.1.2 | |
| -40...+600оC | 04 | ДТПL (хромель-капель) | НПТ-2.04.1.2 |
| 0...+400оC | 14 | НПТ-2.14.1.2 | |
| 0...+600оC | 24 | НПТ-2.24.1.2 | |
| 0...+800оC | 34 | НПТ-2.34.1.2 | |
| -40...+800оC | 05 | ДТПК (хромель-алюмель) | НПТ-2.05.1.2 |
| 0...+400оC | 15 | НПТ-2.15.1.2 | |
| 0...+600оC | 25 | НПТ-2.25.1.2 | |
| 0...+800оC | 35 | НПТ-2.35.1.2 | |
| 0...+1000оC | 45 | НПТ-2.45.1.2 | |
| 0...+1300оC | 55 | НПТ-2.55.1.2 |
Внимание
Нормирующие преобразователи НПТ-2 могут устанавливаться только в модели датчиков в который имеется коммутационная головка «Увеличенного типа» (Луцкая головка). См. таблицу: Модели датчиков с увеличенной коммутационной головкой, см. схему обозначения таких датчиков при заказе.
_x000D_Технические характеристики
| Наименование | Значение |
| Номинальное значение напряжения питания (постоянного тока) | 24 В |
| Диапазон допустимых напряжений питания (постоянного тока) | 12 – 36 В |
| Диапазон выходного тока преобразователя | 4 – 20 мА |
| Функция преобразования входных сигналов | линейная |
| Нелинейность преобразования, не хуже | ±0,2% |
| Разрядность цифро-аналогового преобразователя, не менее | 12 бит |
| Сопротивление каждого провода соединяющего преобразователь с термометром сопротивления, Ом, не более | 30 |
| Сопротивление линии связи с термоэлектрическим преобразователем, Ом, не более | 100 |
| Номинальное значение сопротивления нагрузки | 250 Ом ±5 % |
| Максимальное допустимое сопротивление нагрузки | 1200 Ом |
| Пульсации выходного сигнала | 0,6% |
| Время установления рабочего режима для преобразователя (предварительный прогрев) после включения напряжения питания, не более | 30 мин |
| Время установления выходного сигнала после скачкообразного изменения входного, не более | 1 с |
| Время непрерывной работы | круглосуточно |
| Габаритные размеры | Ø45×13±1 мм |
| Масса, не более | 100 г |
| Средняя наработка на отказ, не менее | 50 000 ч |
| Средний срок службы, не менее | 12 лет |
* Расчет сопротивления нагрузки производится по формуле: RН (Ом) = (UПИТ – 12) В / 0,020 А
Модификации НПТ-2
![]()
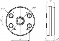
Габаритные и установочные размеры
Модели датчиков с увеличенной коммутационной головкой
Конструктивное исполнение коммутационной головки для ДТС
| Стандартное исполнение | Увеличенная | ||
| Пластмассовая | Металлическая | Пластмассовая | Металлическая |
|
| |
| |
Конструктивные исполнения датчиков
| Конструктивное исполнение | Модель | Параметры | Материал | Длина монтажной части L*, мм |
![]() | 015 | D=8 мм | сталь 12Х18Н10Т | 60, 80, 100, 120, 160, 180, 200, 250, 320, 400, 500, 630, 800, 1000, 1250, 1600, 2000 |
| 025 | D=10 мм | |||
![]() | 035 | D=8 мм, M=20х1,5 мм**, S=22 мм | ||
| 045 | D=10 мм, M=20х1,5 мм**, S=22 мм | |||
| 145 | D=6 мм, M=20х1,5 мм**, S=22 мм | |||
|
| 055 | D=10 мм, M=20х1,5 мм**, S=22 мм | 80, 100, 120, 160, 180, 200, 250, 320, 400, 500, 630, 800, 1000, 1250, 1600, 2000 | |
![]() | 065 | D=8 мм, M=20х1,5 мм**, S=27 мм | 60, 80, 100, 120, 160, 180, 200, 250, 320, 400, 500, 630, 800, 1000, 1250, 1600, 2000 | |
| 075 | D=10 мм, M=20х1,5 мм**, S=27 мм | |||
| 085 | D=10 мм, M=27х2 мм**, S=32 мм | |||
![]() | 095 | D=10 мм, M=20х1,5 мм**, S=22 мм | ||
![]() | 105 | D=8 мм, M=20х1,5 мм**, S=27 мм |
* Длина монтажной части L выбирается при заказе.
** По спец. заказу возможно изготовление датчиков с трубной резьбой.
Модификации датчиков с увеличенной коммутационной головкой
| Основные | |
|---|---|
| Производитель | ОВЕН |
| Страна производитель | Россия |
| Состояние | Новое |
| Пользовательские характеристики | |
| Тип | НПТ-2 нормирующий преобразователь для установки в головку датчика |
- Цена: Цену уточняйте











