Тахометр ТХ01-RS предназначен для измерения частоты вращения вала, линейной скорости перемещения конвейера, времени наработки агрегатов.
Функциональные возможности
- Измерение скорости вращения и времени наработки.
- Масштаб отображения: об/с, об/мин, об/ч, пользовательские единицы.
- 2 модификации по напряжению питания:
- универсальный источник питания (~110 В, ~230 В и =24 В);
- питание от бортовой сети или аккумулятора (=12 В и =24 В).
- Подключение датчиков n-p-n-типа, герконов.
- Интерфейс RS-485 (Modbus RTU/ASCII).
- Выходные элементы: э/м реле, ток 4...20 мА, напряжение 0...10 В.
- Защита настроек паролем.
- Сохранение настроек и результатов при отключении питания.
- Работа при низких температурах: -20...+70 °С.
Особенности тахометра ТХ01-RS
- Госреестр средств измерений РФ, Белоруссии и Казахстана.
- Свидетельство о типовом одобрении (Морской регистр).
- Дискретный выход (Р) – устройство сравнения (компаратор): падение/повышение частоты, сигнализация достижения времени наработки и т.п.
- Аналоговый выход (И, У) – 2 режима работы:
- П-регулятор (управляющий сигнал выдается в зависимости от рассогласования).
- Регистратор (сигнал изменяется в зависимости от частоты).
- Каждая модификация имеет в базе:
- интерфейс RS-485 с поддержкой Modbus RTU/ASCII.
- питание от =24 В.
- релейный выход (8 А, ~220 В).
Технические характеристики
Питание
|
Диапазон переменного напряжения ТХ01-Х.Х.ХР-RS напряжение, В частота, Гц |
от 90 до 264 (номинальные значения 110, 220 или 240) от 47 до 63 (номинальные значения 50 и 60 Гц) |
|
Диапазон напряжения постоянного тока ТХ01-224.Х.ХР-RS, В |
от 20 до 34 (номинальное значение 24) |
|
Диапазон напряжения постоянного тока ТХ01-24.Х. ХР-RS, В |
от 10,5 до 30 (номинальные значения 12 и 24) |
| Максимальная потребляемая мощность: | |
|
- ТХ01-24.Х. ХР-RS, Вт, не более |
не более 8 |
| - ТХ01-224.Х. ХР-RS, ВА, не более | не более 10 |
Характеристики входов
|
Параметр |
Значение |
|
Частота входного сигнала, Гц |
от 0,2 до 2500 |
|
Диапазон измерения, об/мин |
от 12 до 150 000 |
|
Подключаемые датчики |
n-p-n–типа с открытым коллекторным выходом, «сухой контакт» (герконы) |
|
Максимальный входной ток, мА |
10 |
|
Входной ток при активном уровне сигнала, мА, не менее |
4,5 |
|
Максимальное входное напряжение, В |
30 |
|
Длительность импульса на счетном входе, мкс, не менее |
10 |
|
Длительность сигнала на входе «Счет наработки», мс, не менее |
300 |
Счетчик времени наработки
|
Диапазон измерения |
от 1 с до 9999 суток 23 ч |
Встроенный источник питания
|
Номинальное выходное постоянное напряжение |
24 ± 3 В |
|
Максимальный выходной ток |
50 мА |
Выходные элементы
|
Тип ВУ |
Технические характеристики |
Значение |
|
Реле электромагнитное (Р) |
Номинальный ток нагрузки, А |
8 |
|
Номинальное напряжение нагрузки переменного тока с частотой 50 Гц и cos φ >0,4, В |
220 |
|
|
Максимальное напряжение нагрузки постоянного тока, В |
30 |
|
|
Электрическая прочность контактов, В, не менее |
1000 |
|
|
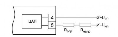
ЦАП «параметр-ток» (И) |
Выходной сигнал постоянного тока, мА Сопротивление нагрузки, Ом Номинальное сопротивление нагрузки Напряжение питания ЦАП, В Основная приведенная погрешность выходов ЦАП, %, не более |
от 4 до 20 от 0 до 1300 700 Ом от 10 до 36 0,5 |
|
ЦАП «параметр-напряжение» (У) |
Выходной сигнал постоянного напряжения Сопротивление нагрузки, не менее Напряжение питания ЦАП Основная приведенная погрешность выходов ЦАП, %, не более |
от 0 до 10 В 5 кОм от 15 до 36 В 0,5 |
Метрологические характеристики
|
Параметр |
Значение |
|
Предел допускаемой приведенной погрешности измерений, %, не более |
±0,5 |
|
Интервал между поверками, лет |
2 |
|
Средний срок службы, лет |
12 |
Интерфейсы связи
|
Интерфейс |
RS-485 |
|
Протоколы передачи данных |
Modbus RTU/ASCII |
Условия эксплуатации
|
Температура окружающего воздуха |
-20...+70 °С |
|
Атмосферное давление |
84...106,7 кПа |
|
Относительная влажность воздуха (при 35 °С) |
не более 95 % |
Функциональная схема прибора
![]()
Модификации
![]()
Элементы управления
Единичные светодиодные индикаторы:
« » |
светодиод засвечен, если прибор ведет измерение времени наработки. |
| «С» | светодиод засвечен, если единицы измерения имп/с при выполнении функции тахометра, если диапазон измеренного времени наработки от 0 с до 99 ч 59 мин 59 с при выполнении функции счетчика наработки. |
| «М» | светодиод засвечен, если единицы измерения имп/мин при выполнении функции тахометра, если диапазон измеренного времени наработки от 100 часов до 9999 ч 59 мин при выполнении функции счетчика наработки. |
| «Ч» | если единицы измерения имп/ч при выполнении функции тахометра, светодиод засвечен, если диапазон измеренного времени наработки от 10000 ч до 9999 суток 23 ч при выполнении функции счетчика наработки. |
| «ВЫХ» | светодиод засвечен, если дискретное ВУ включено согласно выбранному режиму работы ВУ, если на выходе ЦАП аналогового ВУ формируется сигнал, соответствующий установленному пользователем верхнему предельному значению ЦАП. |
Примечание - В режиме USER светодиоды «С», «М», «Ч» погашены.
Габаритные и установочные размеры
Схемы подключения
Подключение пассивных датчиков, имеющих на выходе транзистор n-p-n типа с открытым коллекторным входом:
а) при работе датчика от внешнего источника питания;
б) при работе датчика от питающего напряжения прибора
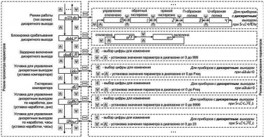
Список программируемых параметров
Комплектность
- Прибор ТХ01-RS
- Комплект крепежных элементов
- Паспорт и руководство по эксплуатации
- Гарантийный талон
| Основные | |
|---|---|
| Производитель | ОВЕН |
| Страна производитель | Россия |
| Режим работы усилителя | С |
- Цена: 304,76 руб.




»