Микропроцессорный счетчик импульсов СИ30 используется для подсчета количества продукции на транспортере или жидкости, длины наматываемого кабеля или экструзионной пленки, сортировки продукции, суммарного количества изделий и т.п.
Счетчик импульсов СИ30 рекомендуется использовать совместно с энкодерами.
ОВЕН СИ30 входит в состав новой линейки счетчиков импульсов, отличающейся повышенной устойчивостью к различным видам электромагнитных помех. Приборы данной линейки способны работать при отрицательных температурах до -20 °С.
Цифровой счетчик импульсов СИ30 выпускается в корпусах 3-х типов: настенном Н и щитовых Щ1, Щ2.
Основные функциональные возможности счетчика импульсов ОВЕН СИ30
- Прямой, обратный или реверсивный счет импульсов, поступающих от подключенных к прибору датчиков.
- Определение направления вращательного движения узлов и механизмов.
- Перевод количества импульсов в реальные единицы измерения продукции.
- Выбор позиции десятичной точки.
- Коэффициент масштабирования.
- Четыре режима работы выходных устройств.
- Четыре дискретных входа для организации счета и реализации функций старт/стоп, блокировка, сброс.
- Универсальные входы, позволяющие работать с датчиками PNP/NPN-типа, сухим контактом, датчиками высокого и низкого уровня, энкодерами.
- Встроенный источник питания датчиков - 24В с максимальным током нагрузки не более 100 мА.
- Управление нагрузкой с помощью двух выходных устройств.
- Сохранение результатов счета при отключении питания.
- Встроенный модуль интерфейса RS-485 и USB-порт для подключения к ПК.
- Поддержка протоколов Modbus (ASCII, RTU), ОВЕН.
- Автоматическое определение протокола связи.
- Конфигуратор для настройки счетчика с ПК.
- Улучшенная помехоустойчивость. Полное соответствие требованиям ГОСТ Р 51522 (МЭК 61326) по электромагнитной совместимости для оборудования класса А с критерием качества.
Технические характеристики
|
Параметр |
Значение |
|
Диапазон переменного напряжения питания: |
|
|
– напряжение, В |
от 90 до 250 |
|
– частота, Гц |
от 47 до 63 |
|
Диапазон постоянного напряжения питания, В |
от 10,5 до 30 |
|
Максимальная потребляемая мощность, ВА, не более |
10 |
|
Масса, кг, не более |
1 |
|
Средний срок службы, лет |
8 |
|
Межповерочный интервал, лет |
2 |
|
Частота входных импульсов, Гц, не более |
10000 |
|
Длительность входных импульсов, мкс, не менее |
50 |
|
Диапазон значений умножителя |
от 0,00001 до 99999 |
|
Частота входного фильтра, Гц |
от 1 до 50000 |
|
Скважность импульса, не менее |
2 |
|
Входы |
|
|
Количество входов управления |
4 |
| Подключаемые датчики | – коммутационные устройства (контакты кнопок, выключателей, герконов, реле и т.п.); – n-p-n–типа с открытым коллекторным выходом; – p-n-p–типа. |
|
Напряжение низкого (активного) уровня на входах, В |
0...4 |
|
Напряжение высокого уровня на входах, В |
10...30 |
|
Количество счетных разрядов |
6 |
|
Интерфейсы связи |
RS-485 (протоколы: Modbus ASCII/RTU, ОВЕН) USB |
Прибор эксплуатируется при следующих условиях
- Закрытые взрывобезопасные помещения без агрессивных паров и газов
- Температура окружающего воздуха от минус 20 до +70 °С
- Верхний предел относительной влажности воздуха – не более 95 % при температуре +35 °С и более низких температурах без конденсации влаги
- Атмосферное давление от 84 до 106,7 кПа
По устойчивости к механическим воздействиям при эксплуатации прибор соответствует группе исполнения N2 по ГОСТ 12997-84.
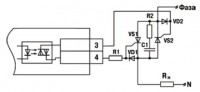
Функциональная схема прибора
Модификации
![]()
Схемы подключения
Схемы подключения приборов с различными ВУ
Комплектность
- Прибор СИ30
- Комплект крепежных элементов
- Компакт-диск с ПО
- Паспорт и гарантийный талон
- Руководство по эксплуатации
| Основные | |
|---|---|
| Производитель | ОВЕН |
| Страна производитель | Россия |
| Пользовательские характеристики | |
| Состояние | Новое |
| Тип | СИ30 счетчик импульсов с поддержкой энкодеров и RS-485 |
- Цена: 334,33 руб.




