Контроллер систем приточной вентиляции ТРМ133М в комплексе с первичными преобразователями, модулем расширения МР1 и исполнительными механизмами предназначены для контроля и регулирования температуры воздуха в помещениях, оборудованных системой приточной/приточно-вытяжной вентиляции, отображения измеренной температуры и режимов работы на встроенном индикаторе и формирования сигналов управления встроенными выходными элементами и выходными элементами модуля МР1. Данный прибор работает в комплекте с модулем расширения ОВЕН МР1 (Приобретается отдельно).
Модификации контроллера для систем вентиляции и кондиционирования ТРМ133М
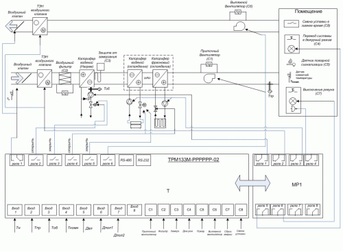
ТРМ133М-02 – контроллер для систем приточной вентиляции с водяным калорифером и фреоновым либо водяным охладителем
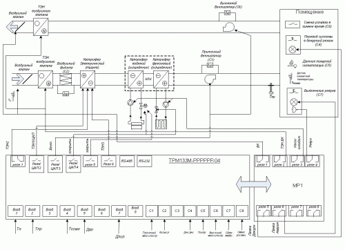
ТРМ133М-04 – контроллер для систем приточной вентиляции с электрическим калорифером и фреоновым либо водяным охладителем
Возможности контроллера для систем вентиляции и кондиционирования ТРМ133М
- Встроенные часы реального времени
- Автоматическая настройка ПИД-регуляторов
- Автоматический выбор режимов (прогрев/нагрев/охлаждение/вентиляция)
- Возможность смены прошивки (при помощи комплекта для перепрошивки ТРМ133М)
Функциональные возможности ОВЕН ТРМ133М
- Автоматическое регулирование температуры приточного воздуха в соответствии с заданной уставкой или по графику (от температуры наружного воздуха)
- Измерение, контроль и регулирование следующих основных параметров:
- температуры воды, возвращаемой в теплосеть, в соответствии с графиком (для ТРМ133М-02);
- температуры комнатного воздуха.
- Измерение дополнительных физических параметров:
- влажности;
- положения задвижек.
- Формирование сигналов управления внешними исполнительными механизмами и устройствами: водяным либо фреоновым калориферами охлаждения, калорифером нагрева, ТЭНом воздушного клапана, приточным/вытяжным вентилятором, насосами в контурах нагрева и охлаждения, воздушным клапаном, устройствами сигнализации
- Диагностика аварийных ситуаций
- Задание значений программируемых рабочих параметров с помощью встроенной клавиатуры управления, а также от ПК по сети RS-485 и RS-232
- Поддержка протоколов обмена: ОВЕН, Modbus-RTU и Modbus-ASCI
Другие приборы для управления вентиляцией
| Контроллер для регулирования температуры в системах отопления с приточной вентиляцией ТРМ33 | Контроллер приточной вентиляции ТРМ133 | Контроллер для систем вентиляции и кондиционирования ТРМ133М |
|
| ![]() |
|
| Для систем вентиляции с водяным калорифером нагрева с регулирующим клапаном с 3-хпозиционным (220 В 50 Гц) управлением.
| Для систем вентиляции с водяным калорифером нагрева с регулирующим клапаном с 3-хпозиционным (220 В 50 Гц) либо аналоговым (0...10 В, 4...20 мА) управлением.
| Для систем вентиляции с водяным калорифером нагрева с регулирующим клапаном с 3-хпозиционным (220 В 50 Гц) либо аналоговым (0...10 В, 4...20 мА) управлением.
|
Технические характеристики
| Наименование | Значение |
| напряжение, В | 90...245 |
| частота, Гц | 47...63 |
| Потребляемая мощность, ВА, не более | 12 |
| Аналоговые входы, количество | 8 |
| Дискретные входы, количество | 8 |
| Уровень сигнала, соответствующий логической единице на входе, В | 12...36 |
| Уровень сигнала, соответствующий логическому нулю на входе, В | 0...4 |
| Подключаемые входные устройства | Датчики типа «сухой контакт», коммутационные устройства (контакты реле, кнопок и т.д.) |
| Встроенный вторичный источник питания | 24±3 |
| Напряжение, В, Максимально допустимый ток нагрузки, мА | 180 |
| Интерфейс связи | RS-485; RS-232 |
| Режим работы | Slave |
| Протоколы передачи данных | ОВЕН; Modbus ASCII; Modbus RTU |
| Тип корпуса | DIN12M |
| Габаритные размеры прибора, мм | (157×86×58)±1 |
| Степень защиты корпуса (со стороны лицевой панели) | IP20 |
| Масса прибора, кг, не более | 0,5 |
| Температура окружающего воздуха, °С | -10...+55 |
Выходы (дискретные и аналоговые ВУ)
| Количество ВУ внутри контроллера | 6 (5 из них – с возможностью установки ЦАП) |
Модификация ТРМ133М-02
Функциональная схема прибора ОВЕН ТРМ133М-02
Обозначения при заказе
![]()
Модификация ТРМ133М-04
Функциональная схема прибора ОВЕН ТРМ133М-04
![]()
Обозначения при заказе
![]()
Схема подключения
![]()
Схема подключения датчиков
Схема подключения датчиков к дискретным входам
![]()
Комплект для перепрошивки ТРМ133М*
Комплектность
- Плата для перепрошивки
- Кабель КС1
- Гарантийный талон
Комплект может быть использован для работы с конфигуратором.
Комплектность
- Прибор ТРМ133М
- Паспорт и гарантийный талон
- Руководство по эксплуатации
- Комплект для прошивки ТРМ133М (поставляется по отдельному заказу)
- Модуль расширения ОВЕН МР1 (в счете модуль указывается, как отдельная позиция)
Примечание - Изготовитель оставляет за собой право внесения дополнений в комплектность изделия.
| Основные | |
|---|---|
| Производитель | ОВЕН |
| Страна производитель | Россия |
| Пользовательские характеристики | |
| Состояние | Новое |
| Тип | ТРМ133М контроллер для приточно-вытяжной вентиляции |
- Цена: Цену уточняйте





