ТРМ1033 – это специализированный контроллер с готовыми алгоритмами для автоматизации приточной вентиляции. Контроллер позволяет управлять стандартными узлами вентиляции для достижения максимально комфортной температуры приточного воздуха для помещений:
- Приточная вентиляция с водяным калорифером нагрева
- Приточная вентиляция с электрическим нагревом. (до 3-х ступеней)
- Приточная вентиляция с водяным нагревом и водяным охлаждением
- Приточная вентиляция с водяным нагревом и фреоновым охлаждением
- Приточная вентиляция с электрическим нагревом и фреоновым охлаждением
Количество готовых алгоритмов и возможность управления узлами вентиляции (например, увлажнитель, резервный вентилятор, рециркуляция и т.д.) будет увеличиваться.
Сравнительная таблица контроллеров для вентиляции и кондиционирования ОВЕН
|
|
|
ТРМ1033 |
|
|
Приточные системы |
• |
|
• |
|
Приточно-вытяжные системы |
|
• |
|
|
Водяной калорифер |
• | • | • |
|
Электрический калорифер |
|
• | • |
|
Водяной охладитель |
|
• | • |
|
Фреоновый охладитель |
|
• | • |
|
Каскадное регулирование температуры в помещении |
|
|
• |
|
Управление воздушной заслонкой |
Дискретное |
Дискретное |
Дискретное/Аналоговое |
|
Управление клапаном |
Импульсное |
Импульсное/0...10 В/4...20 мА |
Импульсное/0...10 В |
|
Аналоговое управление ступенью нагрева |
|
|
• |
|
Питание прибора, В |
220 |
220 |
220/24 |
|
Датчик температуры |
Pt50/Pt100 |
Pt100/Pt1000/Ni1000 |
Pt100/Pt1000/Ni1000/NTC10k |
|
Журнал аварий |
|
|
• |
|
Ручное управление |
|
|
• |
|
Работа по расписанию |
|
|
• |
Функциональные возможности регулятора ТРМ1033
- Поддержание температуры приточного воздуха.
- Защита технологического оборудования : водяного и электрического калорифера, насоса контура водяного калорифера, компрессорно-конденсаторного блока.
- Контроль обратной воды.
- Обогрев воздушного клапана с помощью ТЭНа или периметрального кабеля.
- Контроль по перепаду давления на вентиляторе.
- Работа с датчиками Pt100, Pt1000, Ni1000, NTC10k.
- Контроль засоренности фильтра.
- Управление насосом в контуре водяного калорифера.
- Работа по протоколу Modbus, через интерфейс RS-485.
Особенности работы
- Мягкий пуск
Предотвращает резкое закрытие регулирующего клапана по воде после прогрева с целью защиты теплообменника от замерзания (плавный выход на уставку после прогрева).
- Каскадное регулирование температуры приточного воздуха
Для достижения максимально комфортной температуры помещения применяется каскадное регулирование. Температура приточного воздуха корректируется по требуемому значению температуры в помещении.
- Тестовый режим работы
Режим работы позволяет проверить работоспособность отдельных узлов управления вентиляционной установки в ручном режиме с панели контроллера.
- Журнал аварий с квитированием по времени
Контроллер фиксирует все аварийные ситуации, возникающие в процессе работы. Помимо текущих аварий, дополнительно аварии архивируются с записью о квитировании. Объем архива рассчитан на 24 записи.
- Недельный таймер работы
Контроллер может в автоматическом режиме управлять отключением или запуском вентиляционной установки по дням недели.
- Режим работы Зима/Лето
Изменение сезона осуществляется в автоматическом режиме, тем самым определяется, какой режим работы требуется: Зима (отключение охлаждения) / Лето (отключение нагревателя и циркуляционного насоса).
Функциональная схема прибора
![]()
Функциональные схемы вентиляционных установок
01.00 Приточная система с водяным нагревом
![]()
Назначение основных входов/выходов контроллера ТРМ1033-01-00
|
Обозначение на схеме |
Назначение |
Тип сигнала |
|
Тн |
Измерение температуры наружного воздуха |
AI |
|
Тпр |
Измерение температуры приточного воздуха |
AI |
|
Тобр. |
Измерение температуры обратного теплоносителя |
AI |
|
Тзам |
Термостат защиты от замерзания |
DI |
|
Тпом |
Температура помещения |
AI |
|
Р1 |
Вход датчика засорения воздушного фильтра |
DI |
|
Р2 |
Вход датчика падения давления на приточном вентиляторе |
DI |
ВКп – воздушный клапан
ТО – водяной теплообменник нагрева
02.00 Приточная система с электрическим нагревом
![]()
Назначение основных входов/выходов контроллера ТРМ1033-02-00
|
Обозначение на схеме |
Назначение |
Тип сигнала |
|
Тн |
Измерение температуры наружного воздуха |
AI |
|
Тпр |
Измерение температуры приточного воздуха |
AI |
|
Тпом |
Температура помещения |
AI |
|
Р1 |
Вход датчика засорения воздушного фильтра |
DI |
|
Р2 |
Вход датчика падения давления на приточном вентиляторе |
DI |
ВКп – воздушный клапан
ТОэ – электрический теплообменник нагрева
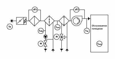
03.00 Приточная система с водяным нагревом и водяным охлаждением
![]()
Назначение основных входов/выходов контроллера ТРМ1033-03-00
|
Обозначение на схеме |
Назначение |
Тип сигнала |
|
Тн |
Измерение температуры наружного воздуха |
AI |
|
Тпр |
Измерение температуры приточного воздуха |
AI |
|
Тобр. |
Измерение температуры обратного теплоносителя |
AI |
|
Тзам |
Термостат защиты от замерзания |
DI |
|
Тпом |
Температура помещения |
AI |
|
Р1 |
Вход датчика засорения воздушного фильтра |
DI |
|
Р2 |
Вход датчика падения давления на приточном вентиляторе |
DI |
ВКп – воздушный клапан
ТО – контур нагрева
ХО – водяное холодильное оборудование
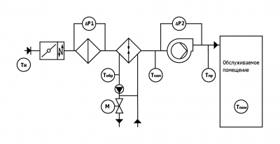
04.00 Приточная система с водяным нагревом и фреоновым охлаждением

Назначение основных входов/выходов контроллера ТРМ1033-04-00
|
Обозначение на схеме |
Назначение |
Тип сигнала |
|
Тн |
Измерение температуры наружного воздуха |
AI |
|
Тпр |
Измерение температуры приточного воздуха |
AI |
|
Тпом |
Температура помещения |
AI |
|
Р1 |
Вход датчика засорения воздушного фильтра |
DI |
|
Р2 |
Вход датчика падения давления на приточном вентиляторе |
DI |
ВКп – воздушный клапан
ТО – контур нагрева электрический
ХО фреон – фреоновое холодильное оборудование
05.00 Приточная система с электрическим нагревом и фреоновым охлаждением
![]()
Назначение основных входов/выходов контроллера ТРМ1033-05-00
|
Обозначение на схеме |
Назначение |
Тип сигнала |
|
Тн |
Измерение температуры наружного воздуха |
AI |
|
Тпр |
Измерение температуры приточного воздуха |
AI |
|
Тпом |
Температура помещения |
AI |
|
Р1 |
Вход датчика засорения воздушного фильтра |
DI |
|
Р2 |
Вход датчика падения давления на приточном вентиляторе |
DI |
ВКп – воздушный клапан
ТОэ – контур нагрева электрический
ХО фреон – фреоновое холодильное оборудование
Технические характеристики
|
Параметр |
Значение |
|
|
ТРМ1033-220.х.х |
ТРМ1033-24.х.х |
|
|
Диапазон напряжения питания, В |
94...264 (номинальное 120...230 В при частоте 47...63 Гц) |
19...30 (номинальное 24 В) |
|
Гальваническая развязка |
есть |
|
|
Электрическая прочность изоляции, В |
2830 (между входом питания и другими цепями) |
1780 (между входом питания и другими цепями) |
|
Потребляемая мощность, не более |
17 ВА |
10 Вт |
|
Встроенный источник питания |
есть |
- |
|
Выходное напряжение встроенного источника питания постоянного тока, В |
24 ± 3 |
- |
|
Ток нагрузки встроенного источника питания, мА, не более |
100 |
- |
|
Электрическая прочность изоляции (между выходом питания и другими цепями), В |
1780 |
- |
|
Сетевые возможности |
||
|
Интерфейс связи |
RS-485 |
|
|
Протокол связи |
Modbus-RTU, Modbus-ASCII |
|
|
Режим работы |
Slave |
|
|
Скорость передачи данных, бит/сек |
9600, 14400, 19200, 38400, 57600, 115200 |
|
|
Конструкция |
||
|
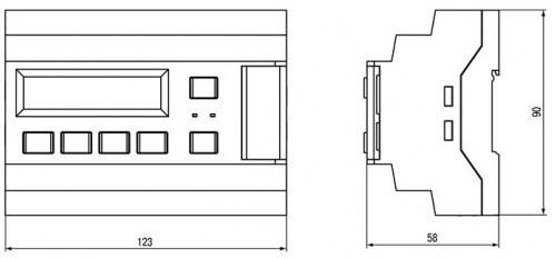
Тип корпуса |
Для крепления на DIN-рейку (35 мм) |
|
|
Габаритные размеры, мм |
123×90×58 |
|
|
Степень защиты корпуса по ГОСТ 14254-96 |
IP20 |
|
|
Масса контроллера, кг, не более (для всех вариантов исполнений) |
0,6 |
|
|
Средний срок службы, лет |
8 |
|
|
Дискретные входы |
||
|
Количество входов |
8 |
|
|
Номинальное напряжение питания, В |
230 (переменный ток) |
24 (постоянный ток) |
|
Максимально допустимое напряжение питания, В |
264 (переменный ток) |
30 (постоянный ток) |
|
Тип подключаемого датчика |
Механические коммутационные устройства (реле, контакты кнопок и выключателей) |
|
|
Ток «логической единицы», мА |
0,7...1,45 |
2...4 |
|
Ток «логического нуля», мА |
0...0,5 |
0...0,5 |
|
Уровень сигнала, соответствующий «логической единице», В |
159...264 |
15...30 |
|
Минимальная длительность импульса, воспринимаемая дискретным входом, мс |
50 |
2 |
|
Максимальное время реакции контроллера (изменения значения ВЭ связанного с дискретным входом), мс |
100 |
30 |
|
Гальваническая развязка |
Групповая, по 4 входа (1–4 и 5–8) |
|
|
Электрическая прочность изоляции, В |
1780 между группами входов |
|
|
2830 между другими цепями контроллера |
||
|
Аналоговые входы |
||
|
Количество |
4 |
|
|
Тип датчика |
Pt100, Pt1000, NTC10k |
|
|
Предел основной приведенной погрешности, % |
±0,5 |
|
|
Период обновления результатов измерения четырех каналов, мс, не более |
10 |
|
|
Гальваническая развязка |
Отсутствует |
|
|
Дискретные выходы |
||
|
Количество выходных устройств |
8 |
|
|
Тип выходного устройства |
Дискретный, релейные (нормально-разомкнутые контакты) |
|
|
Гальваническая развязка |
Индивидуальная |
|
|
Электрическая прочность изоляции, В |
2830 |
|
| Коммутируемое напряжение в нагрузке, В, не более | ||
|
– для цепи постоянного тока |
30 (резистивная нагрузка) |
|
| – для цепи переменного тока | 250 (резистивная нагрузка) | |
|
Допустимый ток нагрузки, не более |
5 А |
3 А |
|
Допустимый ток нагрузки, мА, не менее |
10 (при 5 В постоянного тока) |
|
|
Механический ресурс реле, циклов, не менее |
10 000 000 |
|
|
Аналоговые выходы |
||
|
Количество выходных устройств |
2 |
|
|
Тип выходного устройства |
ЦАП 0...10 В |
|
|
Внешняя нагрузка не более, кОм |
1 |
|
|
Гальваническая развязка |
Индивидуальная |
|
|
Электрическая прочность изоляции, В |
2830 |
|
|
Индикация и элементы управления |
||
|
Тип дисплея |
Текстовый монохромный ЖКИ с подсветкой, 2×16 символов |
|
|
Дискретные индикаторы |
Два светодиодных индикатора (красный и зеленый) |
|
|
Количество механических кнопок |
6 |
|
Модификации
![]()
Габаритные и установочные размеры
![]()
Комплектность
- Паспорт
- Краткое руководство по эксплуатации
- Гарантийный талон
- Комплект клеммных соединителей
| Основные | |
|---|---|
| Производитель | ОВЕН |
| Страна производитель | Россия |
| Пользовательские характеристики | |
| Состояние | Новое |
| Тип | ТРМ1033 контроллер для вентиляции с нагревом и охлаждением |
- Цена: 690,91 руб.




