ОВЕН ТРМ232М – контроллер для регулирования температуры в системах отопления, ГВС и управления насосными группами. Предназначен для управления ИТП и ЦТП жилых и производственных зданий. В комплекте с датчиками и исполнительными механизмами ОВЕН ТРМ232М обеспечивает контроль и регулирование температуры и давления, управляет циркуляционными насосами контуров, насосами ХВС и контуров подпитки.
Преимущества ОВЕН ТРМ232М
- В прибор встроены 5 готовых конфигураций под типовые ИТП и ЦТП (пользователю достаточно выбрать свою):
- Один контур: Отопление
- Один контур: ГВС
- Два независимых контура: ГВС + Отопление, без циркуляционных насосов
- Два независимых контура: Отопление
- Два независимых контура: Отопление + ГВС
- Полная автоматизация одного контура с помощью одного прибора (без модуля расширения).
- Управление насосами ХВС.
- Быстрая конфигурация (настройка) прибора:
- инструкция для быстрого запуска системы с панели прибора – «Быстрый старт»;
Функциональные возможности ОВЕН ТРМ232М
- Регулирование отопительного контура по температурному графику.
- Управление циркуляционными насосами с ротацией и автоматическим вводом резерва (АВР), насосами подпитки и ХВС.
- Универсальный аналоговый вход.
- Режим энергосбережения в ночное время и выходные.
- Контроль по превышению обратной воды.
- Автоматическая настройка ПИД-регуляторов.
- Автоматический выбор режимов (нагрев / ночь / летний / обратная / авария датчиков / авария насосов).
- Диагностика аварийных ситуаций (обрыв датчиков температуры и датчиков положения, неисправность насосов).
- Поддержка интерфейсов RS-485 и RS-232 для работы в системе диспетчеризации.
- Поддержка протоколов обмена: ОВЕН, Modbus-RTU и Modbus-ASCII.
- Быстрая настройка контроллера
- вручную с панели прибора – по инструкции «Быстрый старт».
Сравнение приборов для управления системами отопления и ГВС
| Контроллеры для систем отопления и горячего водоснабжения (ГВС) ТРМ132М | Контроллер для одно- и двухконтурных систем отопления и ГВС ОВЕН ТРМ232М |
![]() | ![]() |
| Для систем отопления и ГВС с регулирующими клапанами с 3-позиционным (220 В 50 Гц) либо аналоговым (0...10 В, 4...20 мА) управлением.
| Для одноконтурных и двухконтурных систем отопления и ГВС, для управления ИТП и ЦТП.
|
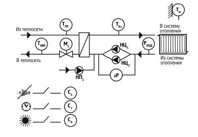
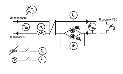
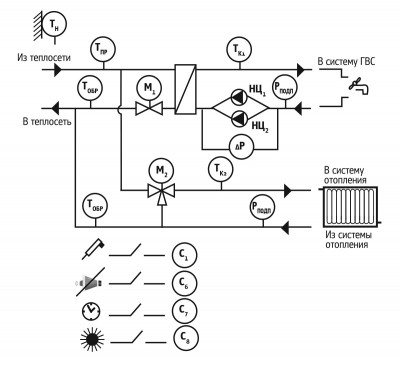
Типовые схемы ИТП
Модификации
![]()
| Пример типовой схемы | Тип управления | Маркировка для заказа |
| Одноконтурные системы | ||
| Схемы 1, 2 | Дискретное управление приводом клапана (больше/меньше) | ТРМ232М-Р |
| Аналоговое управление приводом клапана (0...10 В) | ТРМ232М-УР | |
| Двухконтурные системы | ||
| Схема 3 | 1-й контур: Дискретное управление приводом клапана (больше/меньше) 2-й контур: Дискретное управление приводом клапана (больше/меньше) | ТРМ232М-Р |
| 1-й контур: Аналоговое управление приводом клапана (0...10 В) 2-й контур: Аналоговое управление приводом клапана (0...10 В) | ТРМ232М-У | |
| Схемы 4, 5 | 1-й контур: Дискретное управление приводом клапана (больше/меньше) 2-й контур: Дискретное управление приводом клапана (больше/меньше) | ТРМ232М-Р МР1-Р |
| 1-й контур: Аналоговое управление приводом клапана (0...10 В) 2-й контур: Аналоговое управление приводом клапана (0...10 В) | ТРМ232М-У МР1-Р | |
Функциональная схема прибора
![]()
Габаритные и установочные размеры
![]()
Комплектность
- Прибор ОВЕН ТРМ232M
- Паспорт и руководство по эксплуатации
- Гарантийный талон
| Основные атрибуты | |
|---|---|
| Производитель | ОВЕН |
| Страна производитель | Россия |
| Состояние | Новое |
| Пользовательские характеристики | |
| Тип | ТРМ232М контроллер для отопления и ГВС с управлением насосами |
- Цена: Цену уточняйте




