Назначение измерителя-регулятора ТРМ136
Измеритель-регулятор универсальный шестиканальный ТРМ136 предназначен для построения автоматических систем контроля и регулирования производственными технологическими процессами в металлообрабатывающей, пищевой, химической, деревообрабатывающей, в производстве строительных материалов и в других областях промышленности.
ТРМ 136 предназначен для измерения и регулирования температуры, давления и других физических величин. Он может управлять до 6 исполнительными механизмами, вести регистрацию измерений на ЭВМ.
ТРМ136 является аналогом прибора ТРМ138.
Функциональные возможности регулятора ТРМ136
- Шесть универсальных входов для подключения от 1 до 6 датчиков разного типа в любых комбинациях;
- Вычисление дополнительных величин:
- средних значений от 2 до 6 измеренных величин
- разностей измеренных величин
- скорости изменения измеряемой величины.
- До шести каналов регулирования или регистрации температуры, давления или других измеренных или вычисленных величин:
- регулирование по двухпозиционному закону (для каналов с ВУ типа Р,К,С или Т)
- регистрация на аналоговом выходе (ток 4...20 мА или напряжение 0...10В).
- От 1 до 6 встроенных выходных устройств различных типов в выбранной пользователем комбинации
- Режим ручного управления выходными устройствами
- Конфигурирование функциональной схемы и установка параметров:
- кнопками на лицевой панели прибора; - Четыре варианта стандартных конфигураций схемы прибора
- Встроенный интерфейс RS-485 (протокол ОВЕН, Modbus ASCII/RTU)
- Формирование аварийного сигнала при обнаружении неисправности первичных преобразователей с отображением его причины на цифровом индикаторе
Скачать брошюру
Измеритель-регулятор универсальный шестиканальный ТРМ136 (1 Мб)
Технические характеристики
|
Наименование |
Значение |
|
Диапазон напряжений питания |
от 90 до 264 В переменного (от 47 до 63 Гц) тока |
|
Потребляемая мощность, ВА, не более |
18 |
|
Количество измерительных входов в приборе |
6 |
|
Время опроса одного канала, с, не более |
0,6 |
|
Напряжение встроенного источника питания |
(24±3) В постоянного тока (максимум 150 мА) |
|
Интерфейс связи с компьютером |
RS-485 |
|
Скорость передачи данных по протоколу, кбит/с: ОВЕН, Modbus-RTU, Modbus-ASCII |
2,4; 4,8; 9,6; 14,4; 19,2; 28,8; 38,4; 57,6; 115,2 |
|
Габаритные размеры корпуса Щ7, мм |
144×169×50,5 |
|
Масса прибора, кг, не более |
1,0 |
| Гарантийный срок обслуживания | 2 года |
Выходные устройства:
|
Наименование ВУ (обозначение типа) |
Технические характеристики |
Значение |
|
Реле электромагнитное (Р) |
Максимальный ток нагрузки |
4 А |
|
Максимальное напряжение нагрузки |
250 В 50 Гц и cos j >0,4 |
|
|
Максимальное напряжение нагрузки постоянного тока, не менее |
30 В |
|
|
Оптопара транзисторная n-p-n-типа (К) |
Максимальный ток нагрузки, не менее |
400 мА |
|
Максимальное напряжение, не менее |
60 В постоянного тока |
|
|
Оптопара симисторная (С) |
В режиме управления внешним симистором: |
|
|
ток (при длительности импульса не более 2 мс и частоте (50 ±1) Гц), не менее |
400 мА |
|
|
действующее напряжение, не менее |
250 В, 50 Гц |
|
|
В режиме коммутации нагрузки: |
||
|
ток нагрузки, не менее |
40 мА |
|
|
действующее напряжение, не менее |
250 В, 50 Гц |
|
|
Выход для управления внешним твердотельным реле (Т) |
Выходное напряжение холостого хода |
(6 ±0,5) В постоянного тока |
|
Выходное напряжение на нагрузке 250 Ом, не менее |
от 3,3 до 4,9 В постоянного тока |
|
|
Ток короткого замыкания |
от 50 до 72 мА |
|
|
ЦАП «параметр-ток» (И) |
Выходной сигнал постоянного тока |
от 4 до 20 мА |
|
Сопротивление нагрузки |
от 0 до 1300 Ом |
|
|
Номинальное сопротивление нагрузки |
700 Ом |
|
|
Напряжение питания ЦАП |
от 10 до 36 В |
|
|
Номинальное напряжение питания ЦАП |
(24,0 ±3,0)В |
|
|
ЦАП «параметр-напряжение» (У) |
Выходной сигнал постоянного напряжения |
от 0 до 10 В |
|
Сопротивление нагрузки, не менее |
5 кОм |
|
|
Напряжение питания ЦАП |
от 15 до 36 В |
|
|
Номинальное напряжение питания ЦАП |
(24,0 ±3,0) В |
|
Входные первичные преобразователи:
|
Условное обозначение НХС преобразователя |
Диапазон |
Значение |
Пределы |
|
Термометры сопротивления по ГОСТ 6651-2009 или термопреобразователи сопротивления по ГОСТ Р 6651* |
|||
|
Cu 50 (a =0,00426 °С-1) |
от –50 до 200 °С |
0,1 °С |
±0,25 |
|
50 М (a =0,00428 °С-1) |
от –190 до 200 °С |
0,1 °С |
|
|
Pt 50 (a =0,00385 °С-1) |
от –200 до 750 °С |
0,1 °С |
|
|
50 П (a =0,00391 °С-1) |
от –200 до 750 °С |
0,1 °С |
|
|
Cu 100 (a =0,00426 °С-1) |
от –50 до 200 °С |
0,1 °С |
|
|
100 М(a =0,00428 °С-1) |
от –190 до 200 °С |
0,1 °С |
|
|
Pt 100 (a =0,00385 °С-1) |
от –200 до 750 °С |
0,1 °С |
|
|
100 П (a =0,00391 °С-1) |
от –200 до 750 °С |
0,1 °С |
|
|
Термоэлектрические преобразователи по ГОСТ Р 8.585 |
|||
|
TХК (L) |
от –200 до 800 °С |
0,1 °С |
±0,5 ±0,25** |
|
TЖК (J) |
от –200 до 1200 °С |
1 °С |
|
|
TНН (N) |
от –200 до 1300 °С |
1 °С |
|
|
TХА (К) |
от –200 до 1300 °С |
1 °С |
|
|
TПП (S) |
от 0 до 1750 °С |
1 °С |
|
|
TПП (R) |
от 0 до 1750 °С |
1 °С |
|
|
TВР (А-1) |
от 0 до 2500 °С |
1 °С |
|
|
Унифицированные сигналы постоянного напряжения и тока по ГОСТ 26.011 |
|||
|
Ток от 0 до 5 мА |
от 0 до 100 % |
0,1 % |
±0,25 |
|
Ток от 0 до 20 мА |
от 0 до 100 % |
0,1 % |
|
|
Ток от 4 до 20 мА |
от 0 до 100 % |
0,1 % |
|
|
Напряжение от 0 до1 В |
от 0 до 100 % |
0,1 % |
|
|
Сигнал постоянного напряжения |
|||
|
от –50,0 до 50 мВ |
от 0 до100 % |
0,1 % |
±0,25 |
|
*) Приборы, работающие с термопреобразователями сопротивления с НСХ по ГОСТ 6651, предназначены для поставки на экспорт. |
|||
Примечание – Допускается применение нестандартизованного медного термометра сопротивления с R0 = 53 Ом (a = 0,00426 °С-1) и диапазоном измерений от минус 50 до плюс 200 °С.
Условия эксплуатации
- закрытые взрывобезопасные помещения без агрессивных паров и газов;
- температура окружающего воздуха от +1 до +50 °С;
- верхний предел относительной влажности воздуха 80 % при +25 °С и более низких температурах без конденсации влаги;
- атмосферное давление от 86 до 106,7 кПа.
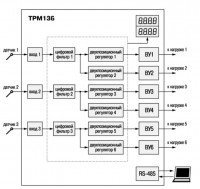
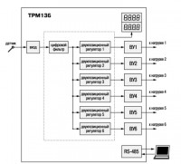
Функциональная схема прибора
Модификации
![]()
При необходимости прибор может комплектоваться выходными устройствами различного типа. В этом случае требуемые устройства должны быть перечислены при заказе с указанием количества каждого типа.
Габаритные и установочные размеры
Щ7 – корпус щитового крепления с размерами 144×169×50,5 мм, степенью защиты со стороны лицевой панели IP54 и степенью защиты корпуса – IР00.
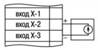
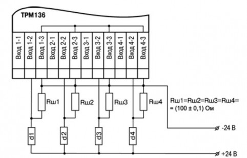
Схема подключения
Схемы подключения измерительных датчиков
Стандартные конфигурации
Комплектность
- Прибор ТРМ136
- Комплект крепежных элементов
- Паспорт и гарантийный талон
- Руководство по эксплуатации
- Методика поверки (по требованию заказчика)
Примечание - Изготовитель оставляет за собой право внесения дополнений в комплектность изделия.
| Основные | |
|---|---|
| Производитель | ОВЕН |
| Страна производитель | Россия |
| Режим работы усилителя | С |
- Цена: от 588 руб.


