Назначение
Устройство контроля температуры восьмиканальное с аварийной сигнализацией и встроенным барьером искрозащиты ОВЕН УКТ38-В предназначено для контроля температуры в нескольких зонах одновременно (до 8-ми) и аварийной сигнализации о выходе любого из контролируемых параметров за заданные пределы, а также для их регистрации на ПК.
Функциональные возможности прибора
- Контроль температуры в нескольких зонах одновременно (до 8-ми)
- Восемь входов* для измерения температуры с помощью датчиков:
- термопреобразователей сопротивления типа ТСМ 50М или ТСП 50П;
- термопреобразователей сопротивления типа ТСМ 100М или ТСП 100П, Pt 100;
- термопар ТХК(L), ТХА(K).
- Аварийная сигнализация или отключение установки при:
- выходе любой из контролируемых величин за заданные пределы;
- выходе датчиков из строя.
- Барьер искрозащиты для линий связи прибора с датчиками (маркировка взрывозащиты [Ех ib Gb] IIB)
- Индикация измеренных величин и заданных для них уставок на двух встроенных индикаторах
- Программирование кнопками на лицевой панели прибора
- Сохранение заданных параметров при отключении питания
- Регистрация контролируемых параметров на ЭВМ через адаптер сети ОВЕН АС2 по интерфейсу RS-232
* Входы могут быть только однотипными
Бесплатно: ОРС-сервер, драйвер для работы со SCADA-системой TRACE MODE; библиотеки WIN DLL
Технические характеристики
| Номинальное напряжение питания | 220 В 50 Гц |
| Допустимое отклонение номинального напряжения | –15...+10 % |
| Количество входов для подключения датчиков | 8 |
| Предел допустимой осн. погрешности измерения входного параметра (без учета погрешн. датчика) | ±0,5 % |
| Время опроса одного входа | не более 2 с |
| Количество выходных устройств | 1 |
| Допустимый ток нагрузки, коммутируемый контактами э/м реле | 8 А при 220 В |
| Тип корпуса | щитовой Щ |
| Габаритные размеры | 96×96×180 мм |
| Степень защиты корпуса | IP20 со стороны передней панели |
| Тип интерфейса связи с ЭВМ | последовательный, RS-232 |
| Подключение к ЭВМ | через адаптер сети ОВЕН АС2 |
| Вид взрывозащиты для линий связи | «искробезопасная электрическая цепь» уровня «ib» |
Характеристики измерительных датчиков
| Тип датчика | Тип входа | Диапазон измерений | Разрешающая способность |
| TCM 50M | 01 | –50...+200 °С | 0,1 °С |
| TCП 50П | 01 | –80...+750 °С | 0,1 °С |
| ТСМ 100М | 03 | –50...+200 °С | 0,1 °С |
| ТСП 100П, Pt100 | 03 | –80...+750 °С | 0,1 °С |
| ТХК(L) | 04 | –50...+750 °С | 0,1 °С |
| ТХА(K) | 04 | –50...+1200 °С | 1 °С |
Функциональная схема прибора
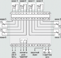
Входы прибора ОВЕН УКТ38-В
Прибор ОВЕН УКТ38-В имеет 8 входов для подключения измерительных датчиков.
Входы УКТ38-В могут быть только однотипными и выполняются в одной из следующих модификаций:
- 01 для подключения термопреобразователей сопротивления типа ТСМ 50М или ТСП 50П;
- 03 для подключения термопреобразователей сопротивления типа ТСМ 100М или ТСП 100П, Pt100;
- 04 для подключения термопар типа ТХК(L) или ТХА(K).
Модификация входов выбирается пользователем при заказе.
Сигнализация или двухпозиционное регулирование
Сигнал с каждого входа прибора поступает на жестко закрепленный за ним двухпозиционный регулятор (компаратор, устройство сравнения), который чаще всего используется для сигнализации о выходе контролируемой величины за заданные пределы.
В УКТ38-В возможны 2 типа аварийной сигнализации (2 типа логики срабатывания двухпозиционного регулятора):
- о снижении контролируемого параметра ниже заданной уставки («прямой гистерезис»);
- о превышении контролируемым параметром заданной уставки («обратный гистерезис»).
Тип аварийной сигнализации задается при программировании прибора и является единым для всех восьми каналов контроля температуры.
Для каждого из 8-ми каналов контроля может быть задана своя уставка.
Выходное устройство прибора ОВЕН УКТ38-В
УКТ38-В имеет одно выходное реле 8 А 220 В для аварийной сигнализации или отключения оборудования.
Выходное реле «Авария» замыкается в случае достижения уставки в любом из каналов.
Модификации
![]()
Элементы управления

| Два 4-х разрядных цифровых индикатора | в режиме РАБОТА отображают информацию в двух режимах индикации:
В режиме ПРОГРАММИРОВАНИЕ верхний индикатор отображает программируемый параметр, нижний – его значение. |
| 8 светодиодов «КАНАЛ» | показывают номер канала, выводимого в данный мо мент на индикатор (постоянное свечение), или сигнализируют об аварии в соответствующем канале контроля (мигающая засветка). |
Функции кнопок
|
| – для перехода в режим ПРОГРАММИРОВАНИЕ – в режиме ПРОГРАММИРОВАНИЕ для изменения параметра |
|
| – для возврата из режима ПРОГРАММИРОВАНИЕ в режим РАБОТА |
|
| – для записи установленных значений программируемых параметров в память прибора |
|
| – для переключения из циклического в статический режим работы индикатора, и обратно |
![]() | – в режиме РАБОТА для переключения каналов, выводимых на индикатор – в режиме ПРОГРАММИРОВАНИЕ для выбора параметра и для изменения его значения |
Схемы подключения
Комплектность
- Прибор УКТ38-В
- Комплект крепежных элементов
- Паспорт и руководство по эксплуатации
- Гарантийный талон
| Основные | |
|---|---|
| Производитель | ОВЕН |
| Страна производитель | Россия |
| Пользовательские характеристики | |
| Состояние | Новое |
| Тип | УКТ38-В восьмиканальный измеритель для взрывоопасных зон с сигнализацией |
- Цена: Цену уточняйте







