Измерители технологических параметров линейки ИТП-1х предназначены для контроля и отображения на цифровом индикаторе унифицированных сигналов тока и напряжения, поддерживают работу со стандартными датчиками температуры без применения нормирующих преобразователей. Приборы ИТП-14 и ИТП-16 оснащены функцией сигнализации и выполнены в компактных, удобных для монтажа корпусах.
Измеряемые сигналы ИТП-11
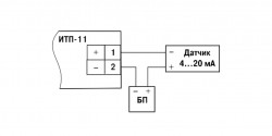
- Ток: 4...20 мА с питанием от сигнала
Измеряемые сигналы для ИТП-14
- Ток: 0...20 мА, 0...5 мА, 4...20 мА.
- Напряжения: 0...10 В, 2...10 В.
ИТП-16 поддерживает градуировки
- Термоэлектрических преобразователей: L (ГОСТ 8.525 и DIN43710), K, J, N, T, S, R, B, A(1-3).
- Термометров сопротивления: M, Cu, П, Pt, Ni при 50, 100, 500, 1000 Ом.
Функциональные возможности приборов ИТП
- Контроль температуры или другой физической величины (давления, влажности, уровня и т. п.).
- Масштабирование измеренного сигнала в нужные единицы измерения (для ИТП-11, ИТП-14).
- Возможность вычисления квадратного корня (для ИТП-11, ИТП-14).
- Индикация аварии при обрыве входного сигнала или выхода за указанные границы.
- Возможность мигания индикатора при входе измеряемой величины в критическую зону*.
- Выходное устройство для сигнализации или управления 200 мА 42 В (для ИТП-14, ИТП-16).
Питание:
- от внешнего источника постоянного напряжения 24 В (для ИТП-14, ИТП-16);
- от токовой петли, падение напряжения 4 В (для ИТП-11 в щитовом корпусе)**.
Крепление:
- на дверцу щита в отверстие 22 мм;
- на стену (для ИТП-11);
- DIN-рейку (для ИТП-11);
- на трубу (для ИТП-11).
- Самозажимные клеммные соединители (для ИТП-14, ИТП-16).
- Красная или зеленая индикация (оговаривается при заказе).
- Эксплуатация при температуре окружающий среды: от -40 до +60 °С.
- Межповерочный интервал:
- ИТП-11 – 3 года
- ИТП-14, ИТП-16 – 5 лет
Внимание: для приборов ИТП-11.х.Н3 (настенное исполнение):
* функция мигания индикатора отсутствует;
**падение напряжения при питании от измеряемого сигнала составляет 10 В.
Технические характеристики
|
Наименование |
ИТП-11 |
ИТП-14 |
ИТП-16 |
| Измеритель 4...20 мА с питанием от изменяемого сигнала | Измеритель унифицированных сигналов с внешним питанием | Измеритель термопар и термосопротивлений с внешним питанием | |
|
Питание |
|||
|
Напряжение питания |
Токовая петля датчика 4...20 мА, не более 4 В |
10...30 В постоянного тока (номинал. напряжение 24 В), потребляемая мощность не более 1 Вт |
|
|
Характеристики входных сигналов |
|||
|
Количество каналов измерения |
1 |
1 |
1 |
|
Тип входного сигнала |
4...20 мА |
Ток 0...5 мА, 0(4)...20 мА |
См. таблицу «Характеристики измерительных датчиков» |
|
Входное сопротивление при измерении напряжения, не более |
- |
250 кОм |
|
|
Время опроса входа, не более |
1 с |
0,3 с |
1 с |
|
Метрологические характеристики |
|||
|
Пределы основной приведенной погрешности, % |
±(0,2+N), где N – единица последнего разряда, выраженная в процентах от диапазона преобразования |
±0,25 |
±0,25 – при работе с ТС, унифицированными сигналами напряжения; ±0,5 – при работе с ТП |
|
Характеристики выходных сигналов |
|||
|
Количество выходных устройств |
- |
1 |
1 |
|
Типы выходных устройств |
- |
Транзисторный ключ n-p-n типа: - максимальный постоянный ток нагрузки 200 мА - максимальное напряжение постоянного тока 42 В |
|
|
Конструктивные исполнения |
|||
|
Габаритные размеры |
|
Щитовой Щ9: 26×48×65 мм |
|
|
Условия эксплуатации |
|||
|
Диапазон рабочих температур |
-40...+80 ⁰С |
-40...+60 ⁰С |
|
|
Относительная влажность воздуха |
Не более 80 %, при +35 °С и более низких температурах без конденсации влаги |
||
|
Атмосферное давление |
От 84 до 106,7 кПа |
||
|
Устойчивость к механическим воздействиям |
Прибор соответствует группе исполнения N2 по ГОСТ Р 52931–2008 |
||
|
Устойчивость к электромагнитным воздействиям |
Прибор соответствует оборудованию класса А по ГОСТ Р МЭК 61326-1-2014 |
||
|
Характеристики надежности |
|||
| Степень защиты корпуса: | |||
|
– настенный Н3 |
IP65 |
||
| – щитовой Щ9 (со стороны лицевой панели) | IP65 | ||
| – щитовой Щ9 (со стороны клемм) | IP20 | ||
|
Средняя наработка на отказ |
100000 ч |
||
|
Средний срок службы |
12 лет |
||
Характеристики измерительных датчиков
|
Обозначение на индикаторе |
Условное обозначение датчика |
Диапазон измерений, °С |
|
Термопреобразователи сопротивления по ГОСТ 6651-2009 |
||
|
c50 |
Cu50 (α1)=0,00426°С-1) |
-50 ...+200 |
|
c.50 |
50М (α=0,00428 °С-1) |
-180 ...+200 |
|
P50 |
Pt50 (α=0,00385 °С-1) |
-200...+850 |
|
P.50 |
50П (α=0,00391 °С-1) |
-200...+850 |
|
c100 |
Cu100 (α=0,00426°С-1) |
-50 ...+200 |
|
c.100 |
100М (α=0,00428 °С-1) |
-180 ...+200 |
|
P100 |
Pt100 (α=0,00385 °С-1) |
-200...+850 |
|
P.100 |
100П (α=0,00391 °С-1) |
-200...+850 |
|
N100 |
Ni100 (α=0,00617 °С-1) |
-60...+180 |
|
P500 |
Pt500 (α=0,00385 °С-1) |
-200...+850 |
|
P.500 |
500П (α=0,00391 °С-1) |
-200...+850 |
|
c 500 |
Cu500 (α=0,00426 °С-1) |
-50 ...+200 |
|
c .500 |
500М (α=0,00428 °С-1) |
-180 ...+200 |
|
n500 |
Ni500 (α=0,00617 °С-1) |
-60...+180 |
|
c1E3 |
Cu1000 (α=0,00426°С-1) |
-50...+200 |
|
c.1E3 |
1000М (α=0,00428°С-1) |
-180...+200 |
|
P1E3 |
Pt1000 (α=0,00385°С-1) |
-200...+850 |
|
P.1E3 |
1000П (α=0,00391°С1) |
-200...+850 |
|
n1E3 |
Ni1000 (α=0,00617°С1) |
-60...+180 |
|
Пирометры сумм. излучения по ГОСТ 10627-71 |
||
|
PK15 |
РК-15 |
+400...+1500 |
|
PK20 |
РК-20 |
+600...+2000 |
|
PC20 |
РС-20 |
+900...+2000 |
|
Сигнал напряжения по ГОСТ 26.011-80 |
||
|
0-1 |
0...1 В |
|
|
Сигнал напряжения |
||
|
50.50 |
-50...+50 мВ |
|
|
Термоэлектрические преобразователи по ГОСТ Р 8.585-2001 |
||
|
tP.L |
TХК (L) |
-200...+800 |
|
tP.KA |
TХА (К) |
-200...+1300 |
|
tP.J |
TЖК (J) |
-200...+1200 |
|
tP.n |
TНН (N) |
-200...+1300 |
|
tP.t |
TМК (Т) |
-250...+400 |
|
tP.S |
TПП (S) |
-50...+1750 |
|
tP.r |
TПП (R) |
-50...+1750 |
|
tP.b |
TПР (В) |
+200...+1800 |
|
tP.A1 |
TВР (А-1) |
0...+2500 |
|
tP.A2 |
TВР (А-2) |
0...+1800 |
|
tP.A3 |
TВР (А-3) |
0...+1800 |
|
Термоэлектрические преобразователи по DIN 43710 |
||
|
tP.tL |
TypeL |
-200...+900 |
Примечание.
1) α температурный коэффициент термометра сопротивления – отношение разницы сопротивлений датчика, измеренных при температуре 100 и 0 °С, к его сопротивлению, измеренному при 0 °С (R0), деленное на 100 °С и округленное до пятого знака после запятой.
Функциональная схема
Схемы подключения
Схемы подключения ИТП-11
Схемы подключения ИТП-11.Н3
Схемы подключения ИТП-14
Схемы подключения ИТП-16
Модификации
Обозначение при заказе ИТП-11
Обозначение при заказе ИТП-14 и ИТП-16
![]()
Комплектность
- Прибор ИТП
- Комплект крепежных элементов
- Паспорт и гарантийный талон
- Руководство по эксплуатации
- Комплект наконечников
- Методика поверки (по требованию заказчика)
Примечание - Изготовитель оставляет за собой право внесения дополнений в комплектность изделия.
| Основные | |
|---|---|
| Производитель | ОВЕН |
| Страна производитель | Россия |
| Состояние | Новое |
| Пользовательские характеристики | |
| Тип | ИТП компактный измеритель |
- Цена: от 212,65 руб.




