Назначение контрольно-измерительного прибора
Прибор ПКП1 предназначен для управления и контроля работой задвижек и затворов и для защиты их механизмов и электропроводов при заклинивании без применения концевых выключателей. ПКП1 с успехом используется, например, в системе «Водоканал».
Функциональные возможности
- Автоматическая остановка электропривода при достижении задвижкой крайнего положения без применения концевых выключателей
- Контроль положения задвижки: – в ПКП1Т – по времени ее перемещения и току, потребляемому электродвигателем; – в ПКП1И – по числу оборотов вала и периоду следования импульсов, поступающих с датчика на валу задвижки
- Индикация текущего положения задвижки в процентах
- Выключение управления приводом с выдачей сигнала «Авария» при заклинивании задвижек или проскальзывании механизмов электропривода
- Сохранение информации о положении задвижки при обесточивании
- Регистрация положения задвижки при установке модуля стоковым выходом 4...20 мА или
- Регистрация положения задвижки и управление приводом при установке модуля интерфейса RS-485 для связи прибора с компьютером
Прибор измерения и контроля ПКП1 выпускается в двух модификациях
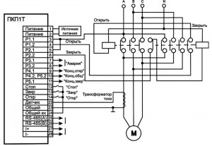
ПКП1Т – прибор предназначен для управления и контроля положением задвижки по времени ее перемещения и току, потребляемому электродвигателем. Схему подключения прибора можно посмотреть здесь.
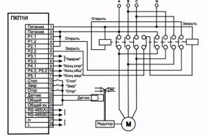
ПКП1И – прибор предназначен для управления и контроля положением задвижки по числу оборотов вала и периоду следования импульсов, поступающих с датчика на валу задвижки. Схему подключения прибора можно посмотреть здесь.
Прибор измерения и контроля ПКП1 выпускается в корпусах двух типов: настенном Н и щитовом Щ1.
В комплект поставки контрольно-измерительного прибора ПКП1 бесплатно входит: OPC-сервер, драйвер для работы со SCADA-системой TRACE MODE, библиотеки WIN DLL.
Технические характеристики
| Номинальное напряжение питания | 220 В частотой 50 Гц |
| Допустимое отклонение номинального напряжения | –15...+10 % |
| Тип датчика: | |
| – ПКП1Т | трансформатор тока N (5A) (см. ГОСТ 7746-89) |
| – ПКП1И | геркон, датчик Холла, активный датчик |
| Контроль перемещения задвижки: | |
| – ПКП1Т | по времени (5...999,9 с) |
| – ПКП1И | по числу импульсов (до 9999 с) |
| Время задержки срабатывания по току | 0,1...10 с |
| Максимально допустимый ток нагрузки: | |
| – э/м реле управления привода | 3 А при 220 В, cos φ > 0,4 |
| – э/м реле сигнализации состояний | 3 А при 220 В, cos φ > 0,4 |
| Дополнительный модуль | с токовым выходом 4...20 мА или |
| Количество разрядов индикации: | 4 |
| Габаритные размеры и степень защиты корпуса | |
| – настенный (Н) | 130×105×65 мм, IP44 |
| – щитовой (Щ1) | 96×96×70 мм, IP54 со стороны передней панели |
Условия эксплуатации
| Температура окружающего воздуха | +1...+50 °С |
| Атмосферное давление | 86...106,7 кПа |
| Относительная влажность воздуха (при 35 °С) | не более 80 % |
Функциональная схема прибора

Входы для управления задвижкой и контроля ее положения
Оператор может управлять положением задвижки:
- дистанционно с пульта управления с помощью кнопок, подключаемых ко входам 1...3 прибора: «Открыть», «Закрыть», «Стоп»;
- с помощью кнопок, расположенных на лицевой панели прибора.
Входы 1...3 обеспечивают гальваническую развязку между кнопками и прибором.
ПКП1Т. Для контроля тока, потребляемого электроприводом задвижки, используется стандартный измерительный трансформатор тока, например, Т-0, 66-УЗ, подключаемый ко входу 4.
ПКП1И. Ко входу 4 подключается датчик импульсов, установленный на валу задвижки:
- геркон;
- датчик Холла;
- активный датчик (индуктивный, емкостный, оптический).
Автоматическая остановка электропривода при достижении задвижкой концевого положения
Блок управления (БУ) ПКП1 позволяет автоматически отключать электродвигатель при достижении задвижкой крайнего (концевого) положения без при менения концевых выключателей.
ПКП1Т. При поступлении внешнего сигнала на открытие или закрытие задвижки БУ отслеживает значение силы тока с трансформатора тока и время, отсчитываемое таймером. На время пускового момента сигнал, поступающий с трансформатора, блоком управления игнорируется.
Определение концевого положения может осуществляться одним из трех способов:
- значение тока достигло заданного (параметр СurA) и время, отсчитанное таймером, находится в установленном интервале (IntL...IntH), как при закрытии, так и при открытии задвижки;
- то же при закрытии задвижки, а при открытии по истечении заданного времени (IntС);
- при открытии и при закрытии по истечении заданного времени.
Два первых способа определения концевого положения позволяют плотно закрывать задвижку, определять открытое положение в зависимости от ее конструктивных особенностей. Третий способ позволяет управлять некоторыми типами задвижек, не допускающих механических перегрузок в концевых положениях.
ПКП1 сигнализирует о достигнутом задвижкой концевом положении, включая реле 4, если задвижка закрыта, или реле 5, если она открыта. Реле 1 или 2 при этом выключается.
ПКП1И. Определение концевых положений происходит аналогичным образом, но БУ отслеживает значение периода следования импульсов, поступающих от датчика, и их число. отключение электродвигателя.
Аварийное отключение электродвигателя
Блок управления ПКП1 определяет аварийную ситуацию, при этом выключает управление приводом, включает реле «Авария» и мигание индикатора при:
- заклинивании задвижки в процессе движения;
- проскальзывании вала привода или других механизмов.
Контроль и индикация текущего положения задвижки
В начале работы ПКП1 запускает таймер, отсчитывающий время движения задвижки и вычисляет процент ее открытия.
Любой из этих двух параметров (время движения или процент окрытия задвижки) можно вывести на индикатор прибора.
Выходы
ПКП1 имеет два выходных реле для управления задвижкой (реле 1 и 2), два реле для имитации концевых выключателей (реле 4 и 5) и реле 3 для аварийной сигнализации.
Кроме того, в ПКП1 по желанию заказчика может быть установлен модуль, формирующий унифицированный токовый сигнал 4...20 мА, пропорциональный степени открытия задвижки, или модуль интерфейса связи с ЭВМ RS-485.
Настройка на объекте. Программирование
Для настройки прибора на объекте задают способ определения концевых положений и временные параметры хода задвижки. Зная рабочий ток двигателя электропривода, необходимо задать параметры защитного отключения.
Заданные параметры сохраняются в энергонезависимой памяти прибора и остаются неизменными при выключении питания.
Программирование прибора осуществляется кнопками, расположенными на передней панели. Для предотвращения несанкционированного доступа к изменению параметров установлена защита.
Модификации
![]()
Элементы управления

Индикаторы «»:
- постоянным свечением или миганием показывают направление перемещения
задвижки; - одновременным миганием сигнализируют о запрете выдачи управления на задвижку
на время «запрета реверсивного включения».
Индикаторы «ЗАКР» и «ОТКР» постоянным свечением сигнализируют о достижении
соответствующих концевых положений задвижки.
Индикатор «Авария» сигнализирует об аварийной блокировке управлением задвижки.
Индикатор «Перегруз» сигнализирует об аварийной ситуации «Перегрузка».
Индикатор «Скольжен» сигнализирует об аварийной ситуации «Скольжение».
Индикатор «ДУ»:
- постоянно светит – текущий режим управления – ДУ;
- постоянно погашен – текущий режим управления – РУ;
- мигает – прибор находится в режиме «Калибровка».
Назначение кнопок в режиме «РАБОТА»
| Комбинации кнопок | Алгоритм работы |
![]() | «длительное нажатие» – вход в режим «ПРОГРАММИРОВАНИЕ» |
![]() | подача команды на открытие задвижки, если включено РУ |
![]() | подача команды на закрытие задвижки, если включено РУ |
![]() | подача команды на останов задвижки, если включено РУ |
![]() | «длительное нажатие» – снятия сигнала «Авария» |
![]() | сброс текущего положения задвижки в положение «закрыта» |
![]() | сброс текущего положения задвижки в положение «открыта» |
| переключение режима управления «РУ»/ «ДУ» |
Схемы подключения
Таблица заменяемости ПКП
| Прежняя модификация | Новая модификация |
| ПКП1Т-Щ1 | ПКП1Т-Щ1 [M01] |
| ПКП1Т-Щ1.RS | |
| ПКП1И-Щ1 | ПКП1И-Щ1 [M01] |
| ПКП1И-Щ1.RS | |
| ПКП1Т-Н | ПКП1Т-Н [M01] |
| ПКП1Т-Н.RS | |
| ПКП1И-Н | ПКП1И-Н [M01] |
| ПКП1И-Н.RS | |
| ПКП1Т-Щ1.И | ПКП1Т-Щ1.I [M01] |
| ПКП1Т-Н.И | ПКП1Т-Н.I [M01] |
| ПКП1И-Щ1.И | ПКП1И-Щ1.I [M01] |
| ПКП1И-Н.И | ПКП1И-Н.I [M01] |
Применение
Комплектность
- Прибор ПКП1
- Комплект крепежных элементов
- Паспорт и руководство по эксплуатации
- Гарантийный талон
| Основные | |
|---|---|
| Производитель | ОВЕН |
| Страна производитель | Россия |
| Пользовательские характеристики | |
| Состояние | Новое |
| Тип | ПКП1 управление и защита электропривода задвижки без концевых выключателей |
- Цена: Цену уточняйте









